Analog Devices AD9851/CGPCBEvaluation Board For NCO/DDS, CMOS 180MHZ DDS/DAC Synthesizer
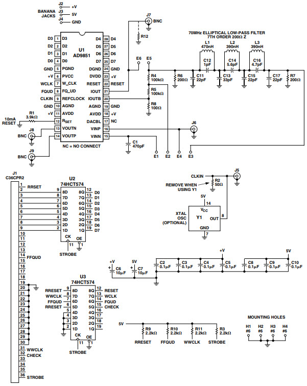
The Analog Devices AD9851-CGPCB Clock Generator Evaluation Board is designed to evaluate the performance of the AD9851 Direct Digital Synthesizer/Digital-to-Analog Converter (DDS/DAC) synthesizer. This board provides a complete clock generator solution for communications and telecom applications. It features a low-jitter, low-noise clock generator with a wide range of frequency and phase control options. The board also includes a high-speed, low-noise, low-distortion DAC for generating analog signals. The board is designed to be used with the AD9851 DDS/DAC synthesizer and is compatible with a variety of communications and telecom applications. The board is easy to use and provides a reliable and cost-effective solution for evaluating the performance of the AD9851 DDS/DAC synthesizer.
- TypeParameter
- Contact PlatingLead, Tin
- Manufacturer Part NumberBPE04MBB1A
- ManufacturerEaton Powerware
- RoHSCompliant
| Part Number | Manufacturer | Description | Stock | RFQ |
|---|---|---|---|---|
| Nexperia USA Inc. | IC FF D-TYPE SNGL 8BIT 20TSSOP | 35 | BUY | |
| Analog Devices Inc. | Direct Digital Synthesizer 180MHz 1-DAC 10-Bit Parallel/Serial 28-Pin SSOP T/R | 2 | RFQ | |
| Analog Devices Inc. | IC DDS DAC W/COMP 180MHZ 28-SSOP | 3 | RFQ | |
| Nexperia USA Inc. | IC FF D-TYPE SNGL 8BIT 20SO | 35 | BUY | |
| Nexperia USA Inc. | IC FF D-TYPE SNGL 8BIT 20SO | 10 | BUY | |
| Nexperia USA Inc. | IC FF D-TYPE SNGL 8BIT 20TSSOP | 994 | BUY | |
| Analog Devices Inc. | ANALOG DEVICES AD9851BRSZ. Direct Digital Synthesizer IC (DDS) | 0 | BUY |


Product
Brand
Articles
Tools




