Analog Devices AD9851/FSPCBBOARD EVAL FOR AD9851/FS
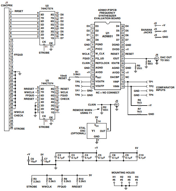
The Analog Devices AD9851-FSPCB Frequency Synthesizer Evaluation Board is designed to evaluate the performance of the AD9851 Direct Digital Synthesizer/Digital-to-Analog Converter (DDS/DAC) Synthesizer. This board is ideal for use in communications and telecom applications, providing a wide range of frequency synthesis capabilities. It features a high-speed, low-noise, low-power DDS/DAC synthesizer with a wide frequency range of up to 200 MHz. The board also includes a high-speed, low-noise, low-power DAC, a low-noise, low-power voltage-controlled oscillator (VCO), and a low-noise, low-power phase-locked loop (PLL). The board also includes a variety of connectors and test points for easy evaluation and testing. The AD9851-FSPCB is a great choice for evaluating the performance of the AD9851 DDS/DAC Synthesizer in communications and telecom applications.


Product
Brand
Articles
Tools

