Analog Devices ADN2830-EVALZADN2830 Laser Driver Evaluation Board
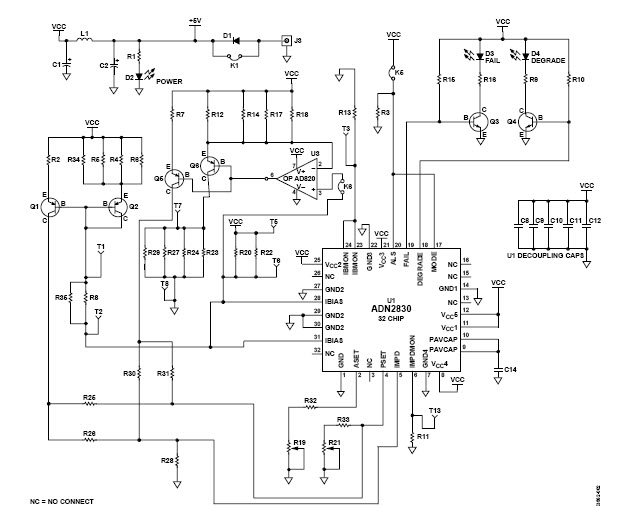
The Analog Devices ADN2830-EVALZ Evaluation Kit is designed to evaluate the performance of the ADN2830 Laser Driver for Fiber Optic Serial Communications Interface, Lighting and Sensing Applications. The kit includes a fully assembled and tested evaluation board, a USB cable, and a user guide. The evaluation board is designed to provide a complete platform for evaluating the ADN2830 Laser Driver. It features a wide range of features, including a high-speed serial interface, adjustable bias current, adjustable modulation current, and adjustable modulation frequency. The board also includes a power supply, a temperature sensor, and a voltage regulator. The evaluation board is designed to provide a comprehensive platform for evaluating the performance of the ADN2830 Laser Driver.


Product
Brand
Articles
Tools



