Analog Devices DC499AEvaluation board for LTC5100EUF 3.2Gbps VCSEL DRIVER
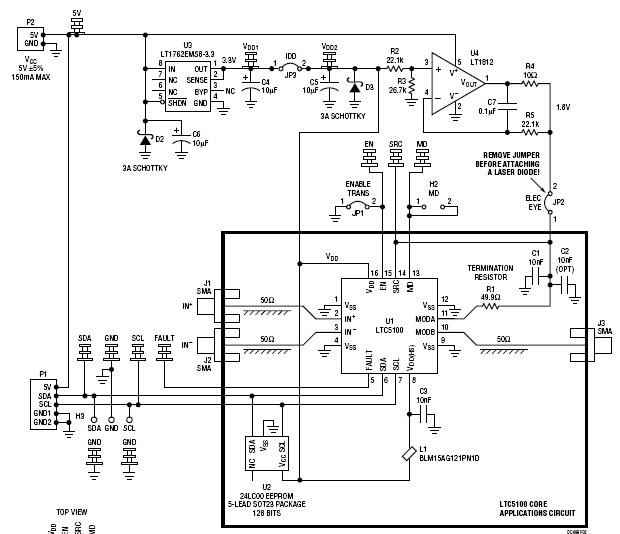
The Analog Devices DC499A-A, DC499A Demo Board for LTC5100EUF Laser Driver Kit is a comprehensive solution for driving and controlling laser diodes. It includes the DC636A and DC669A communications and telecom boards, which provide a wide range of features and capabilities. The DC499A-A board is designed to provide a complete solution for driving and controlling laser diodes, including current control, temperature control, and modulation. The DC636A board provides a high-speed serial interface for controlling the laser diode, while the DC669A board provides a low-speed serial interface for monitoring the laser diode. The DC499A-A board also includes a variety of other features, such as a power supply, a temperature sensor, and a voltage regulator. This demo board is ideal for applications such as laser diode testing, laser diode control, and laser diode modulation.


Product
Brand
Articles
Tools

