Analog Devices EV-MS4135PL1Z-U1with common IGBT threshold levels taken into consideration. Applications MOSFET/IGBT gate drivers PV inverters Motor drives Power supplies
Description
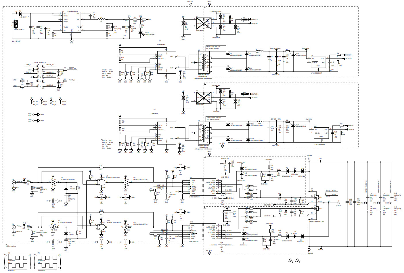
The Analog Devices EV-MS4135PL1Z-U1 Evaluation Board is designed to evaluate the performance of the ADuM4135 Gate Driver when driving APTMC120AM20CT1AG Silicon Carbide (SiC) Power Switches for motor control applications. The board features a full-bridge configuration with two SiC power switches, two ADuM4135 gate drivers, and a DC power supply. The board also includes a USB interface for programming and monitoring the gate drivers. The board is designed to provide a simple and easy way to evaluate the performance of the ADuM4135 gate driver when driving SiC power switches. The board is also designed to be used in a variety of motor control applications, including brushless DC motors, stepper motors, and AC induction motors.


Product
Brand
Articles
Tools



