Analog Devices Inc. AD8451-EVALZAD8451 Precision Analog Front End and Controller Evaluation Board
Description
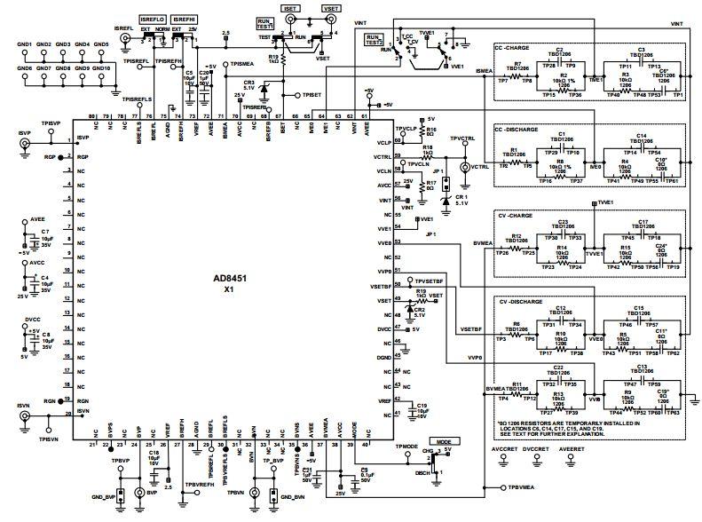
The Analog Devices AD8451-EVALZ Evaluation Kit is a comprehensive tool for testing and monitoring battery cells, power management ICs, and other applications. It features the AD8451 Low Cost, Precision Analog Front End and Controller, which provides a high level of accuracy and precision for measuring and controlling battery cells and other applications. The kit includes a variety of components, such as a power supply, a USB cable, and a set of evaluation boards. It also includes a comprehensive set of software tools for configuring and monitoring the AD8451. The kit is designed to be easy to use and provides a reliable and accurate solution for testing and monitoring battery cells and other applications.
Specifications
Analog Devices Inc. technical specifications, attributes, parameters and parts with similar specifications to Analog Devices Inc. .
- TypeParameter
- Lifecycle StatusPRODUCTION (Last Updated: 2 weeks ago)
- Factory Lead Time8 Weeks
- MountFront
- Number of Pins0
- Part StatusActive
- Moisture Sensitivity Level (MSL)1 (Unlimited)
- TypeInterface
- Max Operating Temperature125°C
- Min Operating Temperature-55°C
- Base Part NumberAD8451
- FunctionAnalog Front End (AFE)
- Output Voltage2.5V
- Quiescent Current10mA
- Slew Rate100 V/μs
- Common Mode Rejection Ratio110 dB
- Utilized IC / PartAD8451
- Supplied ContentsBoard(s)
- Input Offset Voltage (Vos)250μV
- Gain Bandwidth Product20MHz
- Evaluation KitYes
- Power Supply Rejection Ratio (PSRR)110dB
- Input Capacitance4pF
- RoHS StatusROHS3 Compliant
- Lead FreeContains Lead
0 Similar Products Remaining
Technical Documents
Associated Products
| Part Number | Manufacturer | Description | Stock | RFQ |
|---|---|---|---|---|
| Analog Devices Inc. | ANALOG DEVICES AD8309ARUZ Logarithmic Amplifier, 1 Amplifier, 12, 0.4, 67 ns, TSSOP, 16 Pins | 468 | RFQ | |
| Analog Devices Inc. | SP Amp LOG Amp Single R-R O/P 6.5V 16-Pin TSSOP T/R | 3 | RFQ |


Product
Brand
Articles
Tools








