Analog Devices Inc. ADL5391-EVALZANALOG DEVICES ADL5391-EVALZADL5391, MULTIPLIER, EVAL BOARD
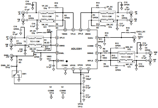
The Analog Devices ADL5391-EVALZ Evaluation Board is a versatile tool for evaluating the performance of the ADL5391 2.0 GHz Analog Multiplier Communications and Telecom IC. This evaluation board is designed to provide a platform for testing the features and performance of the ADL5391 IC. It includes a wide range of features such as a wide bandwidth, low noise, high linearity, and low distortion. The board also includes a wide range of test points and connectors for easy connection to external test equipment. The board is also designed to be compatible with a variety of development tools, such as the Analog Devices VisualAnalog software. This evaluation board is an ideal tool for engineers and designers who need to evaluate the performance of the ADL5391 IC.
- TypeParameter
- Lifecycle StatusPRODUCTION (Last Updated: 1 month ago)
- Factory Lead Time8 Weeks
- Number of Pins24
- PackagingBulk
- Part StatusActive
- Moisture Sensitivity Level (MSL)1 (Unlimited)
- TypeMultiplier
- Max Operating Temperature85°C
- Min Operating Temperature-40°C
- Frequency0Hz~2GHz
- Base Part NumberADL5391
- Operating Supply Voltage5.5V
- Number of Channels1
- Operating Supply Current135mA
- Nominal Supply Current135mA
- Accuracy1 %
- Slew Rate8800 V/μs
- Max Input Voltage2.5V
- Supplied ContentsBoard(s)
- Evaluation KitYes
- Settling Time2.1 ns
- -3db Bandwidth2 GHz
- P1dB15.1 dBm
- REACH SVHCNo SVHC
- RoHS StatusROHS3 Compliant
- Lead FreeContains Lead
| Part Number | Manufacturer | Description | Stock | RFQ |
|---|---|---|---|---|
| Analog Devices Inc. | SP Amp Variable Gain Amp Quad 5.5V 64-Pin LFCSP EP T/R | 3000 | BUY | |
| Analog Devices Inc. | ANALOG DEVICES - AD9515BCPZ - Clock Distribution, 1.6 GHz, 3.135V-3.465V supply, 2 Outputs, LFCSP-32 | 7 | BUY |


Product
Brand
Articles
Tools





