Analog Devices Inc. EVAL-AD5592R-1SDZEVAL BOARD FOR AD5592
Description
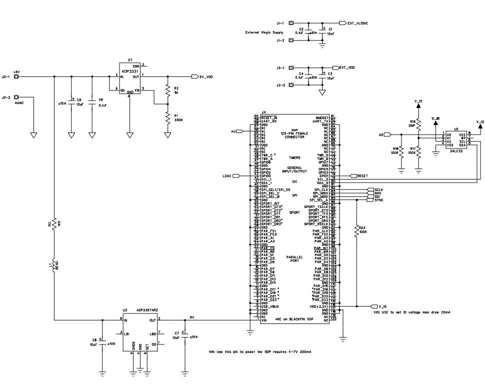
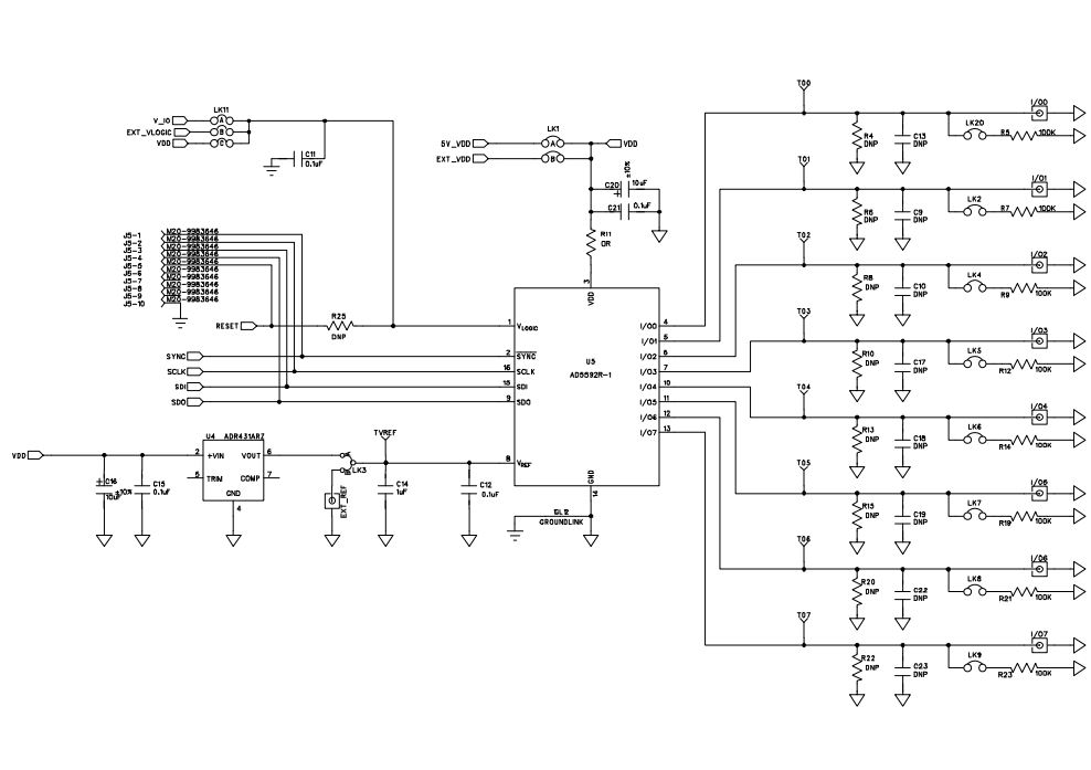
The EVAL-AD5592R-1SDZ Evaluation Board from Analog Devices is designed to evaluate the AD5592R-1, an 8-channel, 12-bit configurable ADC/DAC/GPIO with an on-chip reference. This board is ideal for instrumentation and measurement applications, providing a platform for testing and evaluating the performance of the AD5592R-1. The board includes a USB-I2C interface, allowing for easy connection to a PC for programming and data acquisition. The board also includes a power supply, a set of jumpers, and a set of test points for easy access to the device's I/O pins. The board is designed to be used with the AD5592R-1 Evaluation Software, which provides a graphical user interface for programming and data acquisition.
Specifications
Analog Devices Inc. technical specifications, attributes, parameters and parts with similar specifications to Analog Devices Inc. .
- TypeParameter
- Lifecycle StatusPRODUCTION (Last Updated: 1 week ago)
- Factory Lead Time8 Weeks
- Number of Pins0
- Part StatusActive
- Moisture Sensitivity Level (MSL)1 (Unlimited)
- TypeData Acquisition
- Base Part NumberAD5592
- FunctionADC, DAC
- Utilized IC / PartAD5592R-1
- Supplied ContentsBoard(s)
- Evaluation KitYes
- Primary Attributes8-Channel (Octal)
- Secondary AttributesGraphical User Interface
- RoHS StatusROHS3 Compliant
- Lead FreeContains Lead
0 Similar Products Remaining
Technical Documents
Associated Products
| Part Number | Manufacturer | Description | Stock | RFQ |
|---|---|---|---|---|
| Analog Devices Inc. | ANALOG DEVICES HMC6301BG46 MILLIMETERWAVE RECEIVER, 57-64GHZ, BGANew | 5 | BUY |


Product
Brand
Articles
Tools








