Analog Devices Inc. EVAL-AD7280AEDZANALOG DEVICES EVAL-AD7280AEDZAD7280A, BATTERY MONITOR, EVAL BOARD
Description
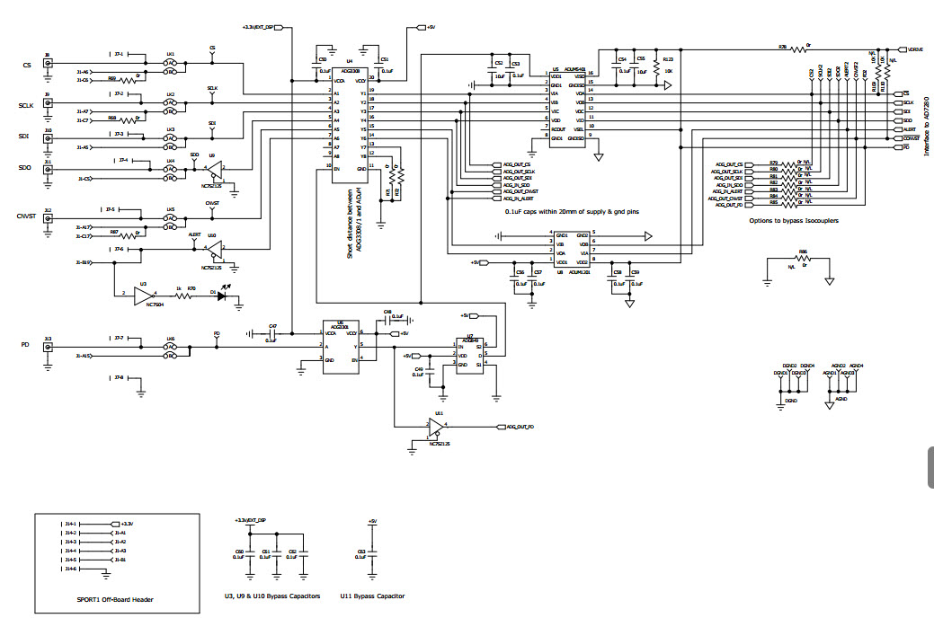
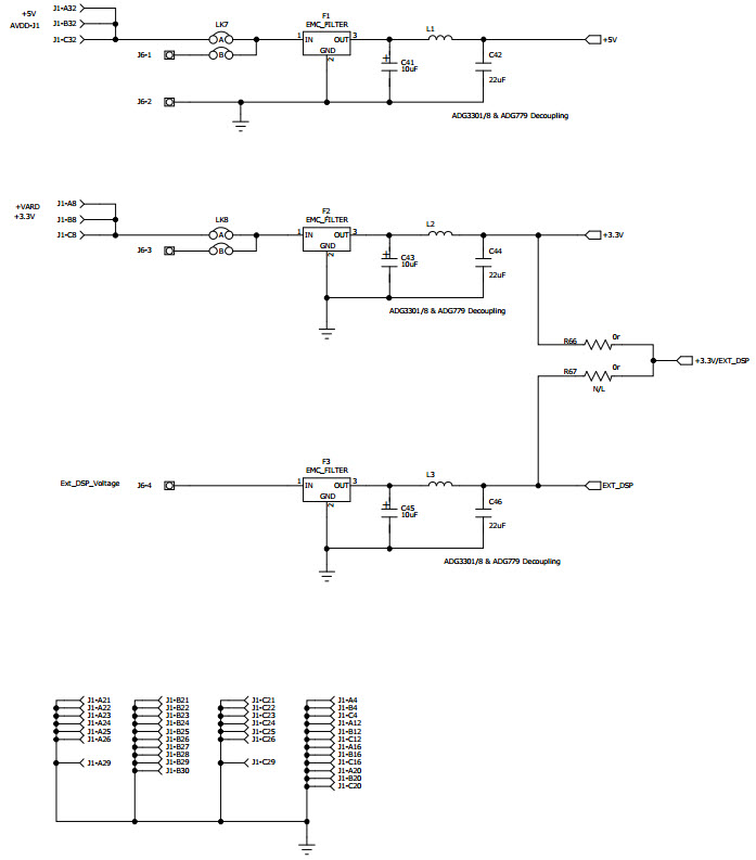
The Analog Devices EVAL-AD7280AEDZ Evaluation Board is designed to evaluate the performance of the AD7280A Lithium Ion Battery Monitoring System, a power management IC. This board features a wide range of features, including a high-accuracy voltage measurement, a low-power current measurement, and a temperature measurement. It also includes a range of protection features, such as over-voltage, over-current, and over-temperature protection. The board is designed to be used with a variety of battery chemistries, including Li-ion, Li-polymer, and NiMH. It is also compatible with a range of microcontrollers, making it an ideal solution for battery monitoring applications.
Specifications
Analog Devices Inc. technical specifications, attributes, parameters and parts with similar specifications to Analog Devices Inc. .
- TypeParameter
- Lifecycle StatusPRODUCTION (Last Updated: 2 weeks ago)
- Factory Lead Time8 Weeks
- Number of Pins0
- PackagingBulk
- Part StatusActive
- Moisture Sensitivity Level (MSL)1 (Unlimited)
- TypePower Management
- Max Operating Temperature105°C
- Min Operating Temperature-40°C
- Base Part NumberAD7280
- FunctionBattery Monitor
- Output Voltage5.2V
- Operating Supply Voltage5V
- InterfaceSPI
- Output Current5mA
- Utilized IC / PartAD7280A
- Supplied ContentsBoard(s)
- Evaluation KitYes
- EmbeddedNo
- Secondary AttributesSPI Interface
- REACH SVHCNo SVHC
- RoHS StatusROHS3 Compliant
- Lead FreeContains Lead
0 Similar Products Remaining
Technical Documents
Associated Products
| Part Number | Manufacturer | Description | Stock | RFQ |
|---|---|---|---|---|
| Analog Devices Inc. | Analog Switch Single SPDT 6-Pin SC-70 T/R | 100 | RFQ | |
| Analog Devices Inc. | ANALOG DEVICES - ADG849YKSZ-500RL7 - Analogue Switch, 1 Channels, SPDT, 0.5 ohm, 1.8V to 5.5V, SC-70, 6 Pins | 45 | RFQ | |
| Analog Devices Inc. | ANALOG DEVICES ADUM5401CRWZ Digital Isolator, Quad, 4, 60 ns, 4.5 V, 5.5 V, SOIC, 16 Pins | 16 | RFQ | |
| Analog Devices Inc. | ANALOG DEVICES - ADG3308BRUZ - Voltage Level Translator, Bidirectional, 8 Input, 6 ns, 60 Mbps, 1.15 V to 5.5 V, TSSOP-20 | 10 | RFQ | |
| Analog Devices Inc. | IC TRNSLTR BIDIRECTIONAL SC70 | 0 | RFQ | |
| Analog Devices Inc. | DGTL ISO 2.5KV GEN PURP 16SOIC | 10 | RFQ | |
| Analog Devices Inc. | Level Translator 20-Pin TSSOP T/R | 0 | RFQ | |
| Analog Devices Inc. | Analog Switch Single SPDT Automotive 6-Pin SC-70 T/R | 4000 | RFQ | |
| Analog Devices Inc. | DGTL ISO 2500VRMS 2CH GP 8SOIC | 0 | RFQ | |
| Analog Devices Inc. | IC ISOLATOR DIG 2CH 125C 8SOIC | 0 | RFQ | |
| Analog Devices Inc. | IC TRNSLTR BIDIRECTIONAL 20TSSOP | 0 | RFQ |
Load more


Product
Brand
Articles
Tools





















