Analog Devices Inc. EVAL-ADE7978EBZADE7932/ADE7933/ADE7978 Specialized Interfaces Evaluation Board
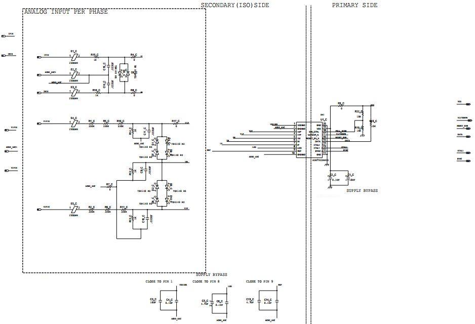
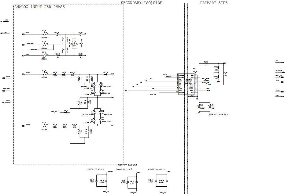
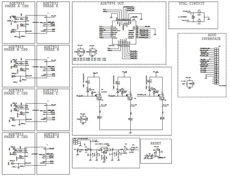
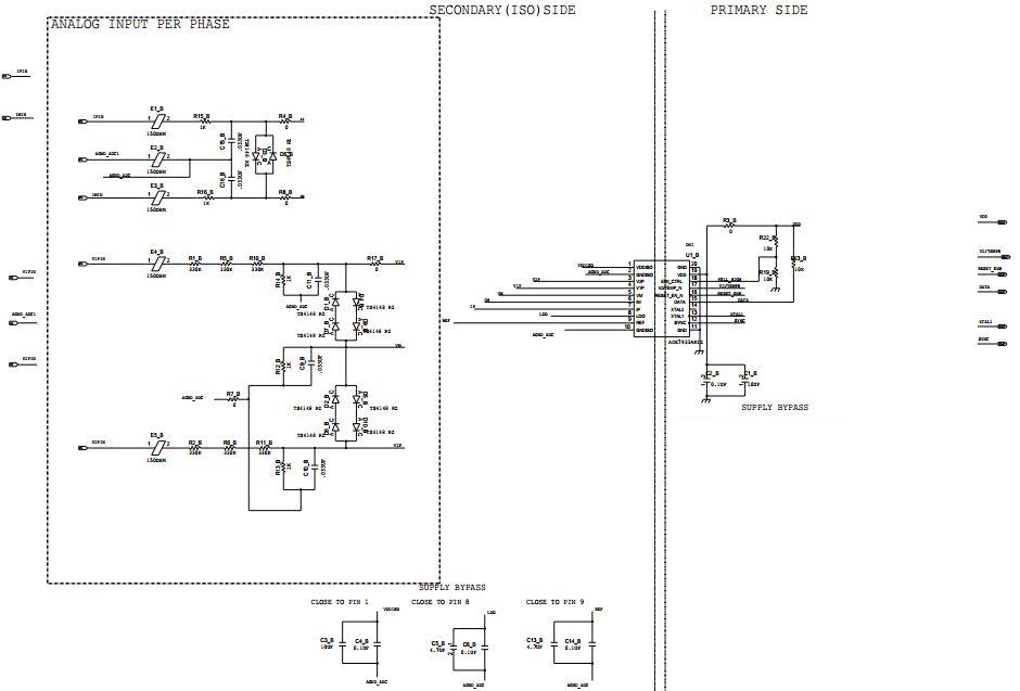
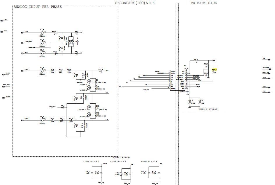
The Analog Devices EVAL-ADE7978EBZ Evaluation Board is designed to evaluate the ADE7978 Isolated Metering Chipset, an industrial grade metering solution. This board features a complete isolated metering system, including a voltage and current sensing circuit, a power supply, and a microcontroller. It also includes a graphical user interface (GUI) for easy configuration and monitoring of the system. The board is designed to provide accurate and reliable measurements of voltage, current, and power in industrial applications. It is also capable of measuring power factor, frequency, and harmonic distortion. The board is suitable for use in a wide range of industrial applications, including energy management, motor control, and power monitoring.
- TypeParameter
- Lifecycle StatusPRODUCTION (Last Updated: 3 weeks ago)
- Factory Lead Time8 Weeks
- MountPCB
- Number of Pins20
- Part StatusActive
- Moisture Sensitivity Level (MSL)1 (Unlimited)
- TypePower Management
- Base Part NumberADE7978
- FunctionEnergy/Power Meter
- Utilized IC / PartADE7932, ADE7933, ADE7978
- Supplied ContentsBoard(s)
- Evaluation KitYes
- Primary AttributesIsolated
- Secondary AttributesGraphical User Interface
- RoHS StatusROHS3 Compliant
- Lead FreeContains Lead
| Part Number | Manufacturer | Description | Stock | RFQ |
|---|---|---|---|---|
| Analog Devices Inc. | ANALOG DEVICES - AD9832BRUZ - Direct Digital Synthesizer, 25 MHz, 10 Bit DAC, 2.97 V to 5.5 V, TSSOP-16 | 66 | RFQ | |
| Microchip Technology | MICROCHIP - 24LC32A-I/MS - EEPROM, 32 Kbit, 4K x 8bit, Serial I2C (2-Wire), 400 kHz, MSOP, 8 Pins | 4 | RFQ |


Product
Brand
Articles
Tools





















