Analog Devices Inc. EVAL-ADM4168EEBZANALOG DEVICES EVAL-ADM4168EEBZADM4168EEBZ EVALUATION MODULE
Description
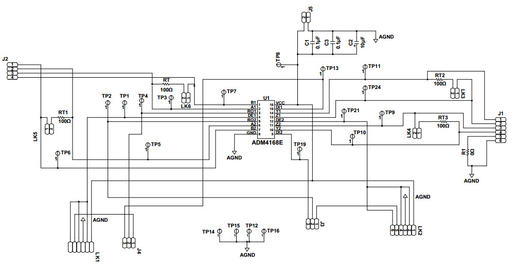
The Analog Devices EVAL-ADM4168EEBZ is an evaluating board for the ADM4168E, a ±15 kV ESD protected dual RS-422 transceiver motor control interface. This board is designed to evaluate the performance of the ADM4168E in a variety of applications, including motor control, industrial automation, and data communication. It features two RS-422 transceivers, each with a differential input and output, and a wide range of operating voltages. The board also includes a power supply, a voltage regulator, and a variety of test points for easy evaluation. The board is designed to be used with the ADM4168E, and is ideal for evaluating the performance of the device in a variety of applications.
Specifications
Analog Devices Inc. technical specifications, attributes, parameters and parts with similar specifications to Analog Devices Inc. .
- TypeParameter
- Lifecycle StatusPRODUCTION (Last Updated: 3 months ago)
- Factory Lead Time8 Weeks
- Package / CaseModule
- Number of Pins0
- Part StatusActive
- Moisture Sensitivity Level (MSL)1 (Unlimited)
- TypeInterface
- Base Part NumberADM4168
- FunctionTransceiver, RS-422
- Operating Supply Voltage5V
- InterfaceRS-422
- Utilized IC / PartADM4168E
- Supplied ContentsBoard(s)
- Evaluation KitYes
- Primary Attributes2-Channel (Dual)
- EmbeddedNo
- REACH SVHCUnknown
- RoHS StatusROHS3 Compliant
- Lead FreeContains Lead
0 Similar Products Remaining


Product
Brand
Articles
Tools









