Analog Devices Inc. EVAL-CN0276-SDPZANALOG DEVICES EVAL-CN0276-SDPZEVAL BOARD, AD2S1210 R/D CONVERTER
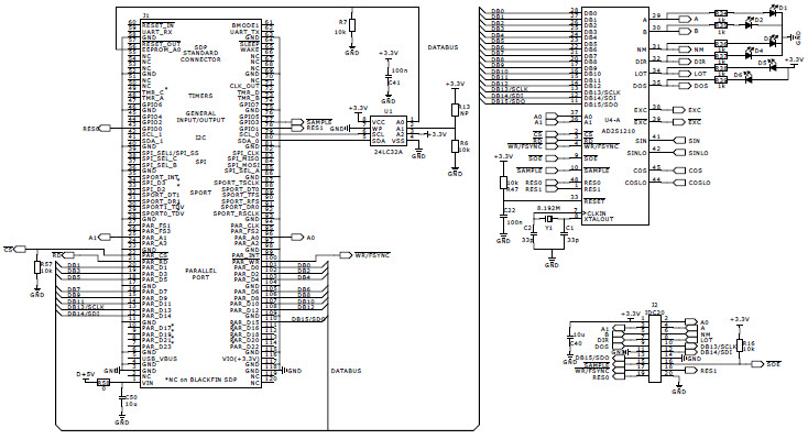
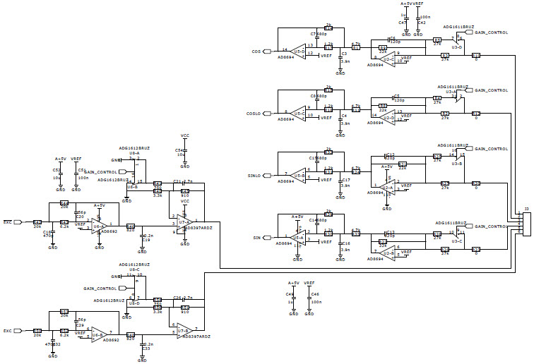
The Analog Devices EVAL-CN0276-SDPZ Evaluation Board is a high-performance, military and aerospace grade solution for converting 10-bit to 16-bit resolver signals into digital signals. It is based on the AD2S1210, a high-performance, low-power, resolver-to-digital converter. The board features a wide range of features, including a low-noise, low-power, high-resolution, and high-accuracy signal conversion. It also includes a wide range of input and output options, including a differential input, a single-ended input, and a differential output. The board also includes a variety of power supply options, including a 5V DC supply, a 3.3V DC supply, and a 12V DC supply. The board is designed to meet the requirements of military and aerospace applications, and is ideal for applications such as navigation, guidance, and control systems.
- TypeParameter
- Lifecycle StatusPRODUCTION (Last Updated: 1 week ago)
- Factory Lead Time8 Weeks
- Number of Pins0
- SeriesCircuits from the Lab™
- Part StatusActive
- Moisture Sensitivity Level (MSL)1 (Unlimited)
- TypeInterface
- FunctionResolver-to-Digital
- Operating Supply Voltage12V
- InterfaceUSB
- Utilized IC / PartAD2S1210
- Supplied ContentsBoard(s)
- Evaluation KitYes
- REACH SVHCUnknown
- RoHS StatusROHS3 Compliant
- Lead FreeContains Lead
| Part Number | Manufacturer | Description | Stock | RFQ |
|---|---|---|---|---|
| Microchip Technology | MICROCHIP - 24LC32A-I/SN - EEPROM, 32 Kbit, 4K x 8bit, Serial I2C (2-Wire), 400 kHz, SOIC, 8 Pins | 0 | RFQ | |
| Analog Devices Inc. | ANALOG DEVICES AD8692ARZOperational Amplifier, Dual, 10 MHz, 2 Amplifier, 5 V/s, 2.7V to 6V, SOIC, 8 Pins | 2 | RFQ | |
| Analog Devices Inc. | ANALOG DEVICES - AD8694ARZ - Operational Amplifier, Quad, 4 Amplifier, 10 MHz, 5 V/µs, 2.7V to 6V, SOIC, 14 Pins | 8 | RFQ | |
| Analog Devices Inc. | IC REG LINEAR 3.3V 500MA 8SOIC | 2 | RFQ | |
| Analog Devices Inc. | IC MPU RESET CIRC 2.2V SOT23-3 | 100 | BUY | |
| Microchip | 4K X 8 I2C/2-WIRE SERIAL EEPROM, PDSO8, 3.90 MM, ROHS COMPLIANT, PLASTIC, SOIC-8 | 43181 | RFQ | |
| Analog Devices Inc. | ANALOG DEVICES AD8397ARDZOperational Amplifier, Dual, 69 MHz, 2 Amplifier, 53 V/s, 3V to 24V, SOIC, 8 Pins | 980 | RFQ | |
| Analog Devices Inc. | IC R/D CONV 10/12/14/16B 48LQFP | 1950 | RFQ | |
| Analog Devices Inc. | ANALOG DEVICES ADG1611BRUZAnalogue Switch, Quad Channel, SPST, 4 Channels, 1.2 ohm, 3.3V to 16V, TSSOP, 16 Pins | 44 | RFQ | |
| Analog Devices Inc. | ANALOG DEVICES ADG1612BRUZAnalogue Switch, Quad Channel, SPST, 4 Channels, 2.15 ohm, 3.3V to 16V, TSSOP, 16 Pins | 0 | RFQ | |
| Analog Devices Inc. | IC REG LINEAR 5V 500MA 8SOIC | 2 | RFQ |


Product
Brand
Articles
Tools

















