Analog Devices Inc. EVAL-CN0326-PMDZANALOG DEVICES EVAL-CN0326-PMDZ PMODS BRD CFTL, PH MONITOR W TEMP SENSOR
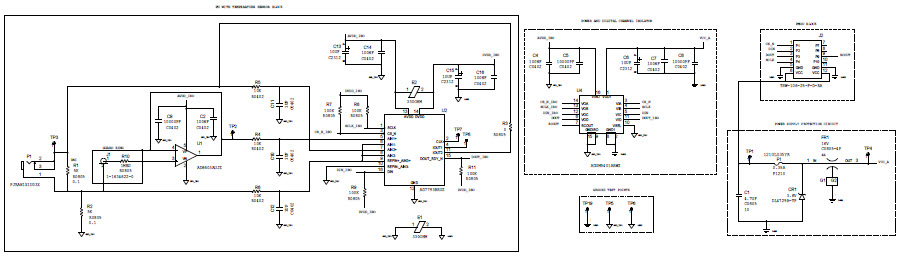
The Analog Devices EVAL-CN0326-PMDZ is an isolated low power pH monitor with temperature compensation evaluation board based on the AD7793. It is designed for industrial automation applications and provides a reliable and accurate solution for monitoring pH levels in a variety of industrial processes. The board features a low power design, allowing it to be used in battery-powered applications, and includes an isolated power supply for safety. It also includes a temperature compensation circuit to ensure accurate readings in changing temperatures. The board is easy to use and provides a simple interface for connecting to a variety of sensors and other devices. The EVAL-CN0326-PMDZ is a great choice for industrial automation applications that require reliable and accurate pH monitoring.
- TypeParameter
- Lifecycle StatusPRODUCTION (Last Updated: 4 days ago)
- Factory Lead Time8 Weeks
- Number of Pins0
- SeriesCircuits from the Lab™
- Part StatusActive
- Moisture Sensitivity Level (MSL)1 (Unlimited)
- TypeInterface
- FunctionSensor Conditioner
- Operating Supply Voltage6V
- Utilized IC / PartAD7793, AD8603, ADuM5401
- Evaluation KitYes
- ContentsBoard(s)
- PlatformPmod™
- REACH SVHCUnknown
- RoHS StatusROHS3 Compliant
- Lead FreeContains Lead
| Part Number | Manufacturer | Description | Stock | RFQ |
|---|---|---|---|---|
| Analog Devices Inc. | ANALOG DEVICES AD8603AUJZ-REEL7Operational Amplifier, Single, 400 kHz, 1 Amplifier, 0.1 V/s, 1.8V to 5V, TSOT-23, 5 Pins | 3610 | RFQ | |
| Analog Devices Inc. | ANALOG DEVICES ADUM5401ARWZ Digital Isolator, Quad, 4, 100 ns, 4.5 V, 5.5 V, SOIC, 16 Pins | 22 | RFQ | |
| Analog Devices Inc. | ANALOG DEVICES - AD8603AUJZ-R2 - Operational Amplifier, Single, 1 Amplifier, 400 kHz, 0.1 V/µs, 1.8V to 5V, TSOT, 5 Pins | 3000 | RFQ | |
| Analog Devices Inc. | ANALOG DEVICES - AD7793BRUZ - Analogue to Digital Converter, 24 bit, 470 SPS, Differential, Serial, Single, 2.7 V | 0 | RFQ | |
| Analog Devices Inc. | IC OPAMP GP 400KHZ RRO TSOT23-5 | 3000 | RFQ |


Product
Brand
Articles
Tools








