Analog Devices Inc. EVAL-MICCANVASZICS-52000 MICROPHONE CANVAS BRD
Description
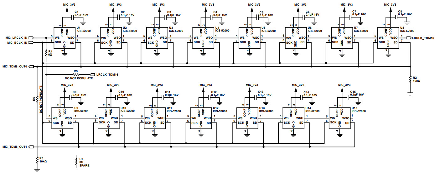
The Analog Devices EVAL-MICCANVASZ is a Microphone Canvas Evaluation Board designed for communications and telecom applications. It is a comprehensive evaluation platform for testing and evaluating the performance of Analog Devices’ MEMS microphones. The board features a wide range of features, including a microphone preamplifier, a low-noise microphone bias generator, a low-noise microphone bias regulator, a low-noise microphone bias switch, and a low-noise microphone bias filter. The board also includes a variety of test points and connectors for easy connection to external test equipment. The board is designed to provide a comprehensive evaluation platform for testing and evaluating the performance of Analog Devices’ MEMS microphones.
Specifications
Analog Devices Inc. technical specifications, attributes, parameters and parts with similar specifications to Analog Devices Inc. .
- TypeParameter
- MfrAnalog Devices Inc.
- PackageBulk
- Product StatusActive
- Series-
- TypeAudio
- FunctionMicrophone
- Note-
- Utilized IC / PartICS-52000
- ContentsBoard(s), Accessories
- Platform-
- Interconnect System-
- Suggested Programming EnvironmentSigmaStudio
0 Similar Products Remaining


Product
Brand
Articles
Tools











