Analog Devices Inc. USB-SMBUS-CABLEZCABLE SMBUS USB 3PIN
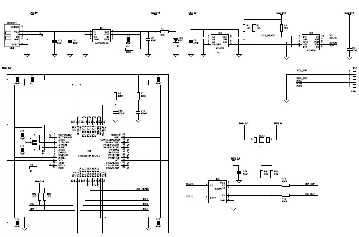
The Analog Devices USB-SMBUS-CABLEZ Evaluation Board is a USB interface for notebook, computer, and peripheral devices. It is designed to provide a simple and cost-effective solution for connecting a SOC microprocessor to a USB port. The board features a USB Type-C connector, a USB-SMBUS bridge, and a USB-SMBUS-CABLEZ connector. The USB-SMBUS bridge allows for communication between the SOC microprocessor and the USB port, while the USB-SMBUS-CABLEZ connector provides a secure connection between the board and the USB port. The board also includes a power switch, a reset button, and a status LED. The USB-SMBUS-CABLEZ Evaluation Board is an ideal solution for connecting a SOC microprocessor to a USB port, providing a simple and cost-effective solution for connecting a SOC microprocessor to a USB port.
- TypeParameter
- Number of Pins3
- Part StatusObsolete
- Moisture Sensitivity Level (MSL)1 (Unlimited)
- Accessory TypeSMBus Cable
- FeaturesI2C
- REACH SVHCNo SVHC
- RoHS StatusROHS3 Compliant
| Part Number | Manufacturer | Description | Stock | RFQ |
|---|---|---|---|---|
| Analog Devices, Inc. | 0 | RFQ | ||
| Analog Devices, Inc. | 0 | RFQ | ||
| Analog Devices, Inc. | 0 | RFQ |


Product
Brand
Articles
Tools







