Arduino A000056Due without headers; AT91SAM3X8E 84MHz Cortex-M3; 512KB Flash; 96KB RAM
Description
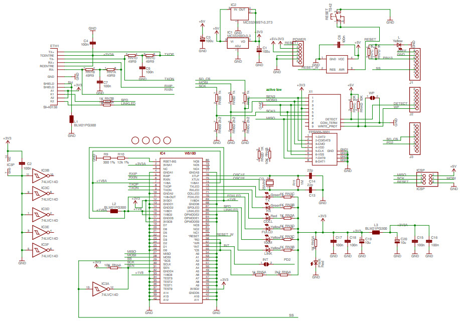
Arduino Corporation A000056-A000056, A000056, Arduino Ethernet Shield is a communications and telecoms device that allows an Arduino board to connect to the internet. It is based on the WizNET W5100 Ethernet chip, which provides a reliable and secure connection to the internet. The Ethernet Shield allows users to access the internet and send and receive data, making it an ideal choice for projects that require internet connectivity. It is easy to set up and use, and is compatible with a wide range of Arduino boards. With the Arduino Ethernet Shield, users can easily access the internet and create projects that require internet connectivity.
Specifications
Arduino technical specifications, attributes, parameters and parts with similar specifications to Arduino .
- TypeParameter
- Factory Lead Time2 Weeks
- Mounting TypeFixed
- Package / CaseModule
- SeriesAT91SAM3
- Published2011
- Part StatusActive
- Moisture Sensitivity Level (MSL)1 (Unlimited)
- TypeMCU 32-Bit
- Core ProcessorARM® Cortex®-M3
- Data Rate10 Mbps
- Utilized IC / PartATSAM3X8E
- Evaluation KitYes
- Core ArchitectureARM
- ContentsBoard(s)
- Board TypeEvaluation Platform
- PlatformArduino Due without Headers
- REACH SVHCUnknown
- RoHS StatusRoHS Compliant
0 Similar Products Remaining
Technical Documents


Product
Brand
Articles
Tools









