FTDI CleO35ABoard with FPC/FFC 50 LCD connector, 3.5 inch TFT LCD Display Panel Preinstalled with Resistive Touch, Black Bezel
Description
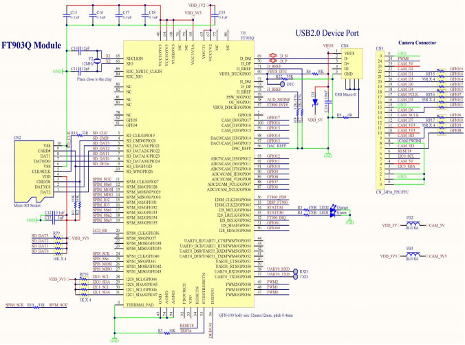
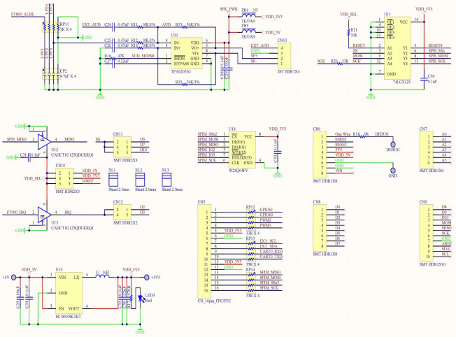
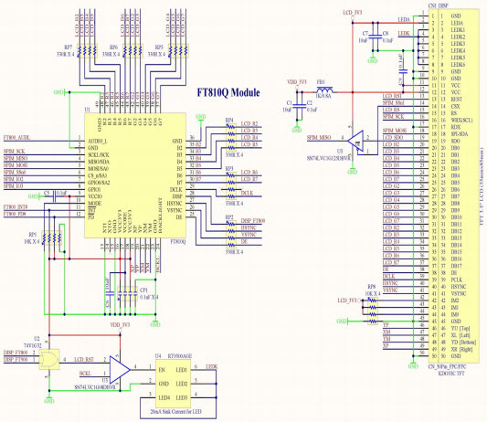
The FTDI Chip CleO35A-A Development Board is a powerful and versatile platform for embedded applications. It is based on the CleO35 Module, which is a powerful ARM Cortex-M4 processor with a wide range of peripherals and features. The board comes preinstalled with a 3.5 inch TFT LCD Display Panel with resistive touch, video and imaging capabilities. It also features an FPC/FFC 50 LCD connector for easy connection to other displays. The board is ideal for applications such as industrial automation, medical devices, consumer electronics, and more. It is also compatible with a wide range of development tools, making it easy to get started with your project.
Associated Products
| Part Number | Manufacturer | Description | Stock | RFQ |
|---|---|---|---|---|
| Richtek | 0 | RFQ | ||
| Texas Instruments | IC AMP AUDIO PWR 1.25W AB 8MSOP | 31092 | RFQ | |
| Texas Instruments | Audio Amp Speaker 1-CH Mono 1.25W Class-AB 8-Pin HVSSOP EP Tube | 516 | BUY | |
| Texas Instruments | IC BUF NON-INVERT 5.5V SC70-5 | 10000 | RFQ | |
| Texas Instruments | IC AMP CLASS AB MONO 1.25W 8MSOP | 2300 | BUY | |
| Texas Instruments | Audio Amp Speaker 1-CH Mono 1.25W Class-AB 8-Pin VSON EP T/R | 6000 | RFQ |


Product
Brand
Articles
Tools














