Share
FTDI V-EVAL-1
Description
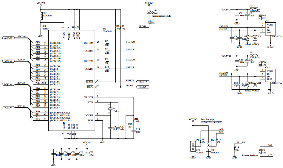
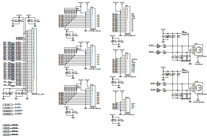
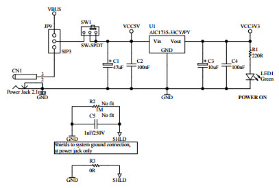
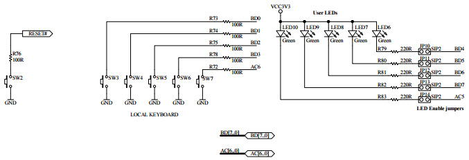
The FTDI Chip V-EVAL-1 Evaluation Kit is a comprehensive development platform for embedded USB host systems based on the VNC1L MCU devices. It is designed to help engineers quickly and easily develop Industrial Automation and Human Machine Interface (HMI) applications. The kit includes a VNC1L MCU board, a USB host board, a USB-to-serial converter, and a USB-to-I2C converter. It also includes a range of software tools and sample code to help developers get started quickly. The kit is ideal for prototyping and testing applications in the industrial automation, HMI, and other embedded USB host systems.


Product
Brand
Articles
Tools













