Lattice Semiconductor Corporation LIF-MD6000-ML-EVNCROSSLINK LIF-MD6000 MASTER LINK
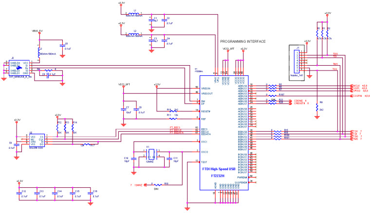
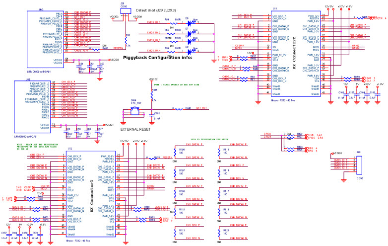
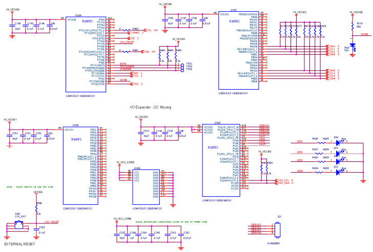
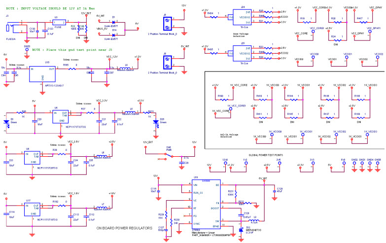
The Lattice Semiconductor LIF-MD6000-ML-EVN is a master link board designed to support a variety of demos. It bridges different signaling logic standards with the MIPI CSI-2/DSI interface, industrial Ethernet, and USB3.0. This board is ideal for applications that require high-speed data transfer and low-power consumption. It is also suitable for applications that require a wide range of signal protocols. The board is equipped with a variety of features, including a high-speed FPGA, a high-speed DDR3 memory, and a variety of I/O connectors. It also supports a variety of development tools, such as the Lattice Diamond Programmer and the Lattice Diamond Design Suite. This board is an ideal solution for applications that require a wide range of signal protocols and high-speed data transfer.
- TypeParameter
- Factory Lead Time8 Weeks
- PackagingBulk
- SeriesCrossLink™
- Published2016
- Part StatusActive
- TypeFPGA
- Evaluation KitYes
- ContentsBoard(s)
- RoHS StatusROHS3 Compliant
- Lead FreeLead Free
| Part Number | Manufacturer | Description | Stock | RFQ |
|---|---|---|---|---|
| Analog Devices | LED Driver,4V to 5.5V input, 16 Outputs, 10 MHz Switch. Frequency, 320 mA out, DIP-24 | 0 | RFQ | |
| Analog Devices | MAX7219 Series 5.5 V 330 mA Surface Mount 8-Digit LED Display Driver - SOIC-24 | 0 | RFQ | |
| Analog Devices | LED Driver,4V to 5.5V input, 8 Outputs, 10 MHz Switch. Frequency, 320 mA out, SOIC-24 | 0 | RFQ |


Product
Brand
Articles
Tools






















