Linear Technology/Analog Devices DC1259AEVAL BOARD BATT BACKUP LTC4110
Description
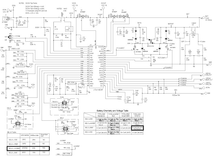
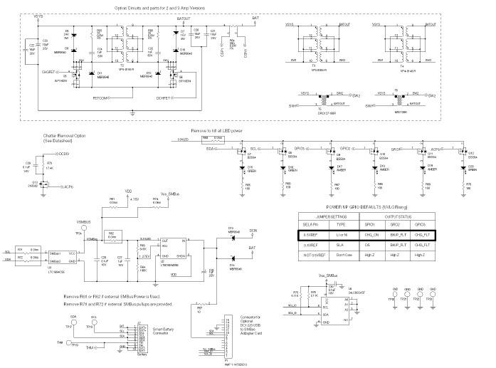
The Analog Devices DC1259A-A, LTC4110EUHF Demo Board, Battery Backup System Manager is a powerful and versatile medical and healthcare solution. It is designed to provide reliable power backup for medical and healthcare applications. The board features a LTC4110EUHF Battery Backup System Manager IC, which provides a complete power backup solution for medical and healthcare applications. It includes a wide range of features such as over-voltage protection, over-current protection, and temperature monitoring. The board also includes a DC/DC converter, which allows for efficient power conversion and management. The board is designed to be easy to use and configure, making it ideal for medical and healthcare applications.
Specifications
Linear Technology/Analog Devices technical specifications, attributes, parameters and parts with similar specifications to Linear Technology/Analog Devices .
- TypeParameter
- Lifecycle StatusPRODUCTION (Last Updated: 3 months ago)
- Factory Lead Time8 Weeks
- Number of Pins0
- Published2009
- Part StatusActive
- Moisture Sensitivity Level (MSL)1 (Unlimited)
- TypePower Management
- Base Part NumberLTC4110
- FunctionBattery Charger
- Utilized IC / PartLTC4110
- Supplied ContentsBoard(s)
- Evaluation KitYes
- Primary AttributesBattery Backup
- EmbeddedNo
- REACH SVHCNo SVHC
- RoHS StatusROHS3 Compliant
0 Similar Products Remaining
Technical Documents
Associated Products
| Part Number | Manufacturer | Description | Stock | RFQ |
|---|---|---|---|---|
| Analog Devices, Inc. | IC CHARGER BATTERY LI-ION 8-DFN | 0 | RFQ | |
| Analog Devices, Inc. | IC CHARGER BATTERY LI-ION 8-DFN | 0 | RFQ |


Product
Brand
Articles
Tools








