Linear Technology/Analog Devices DC1446ALTC6909 DEMO BOARD
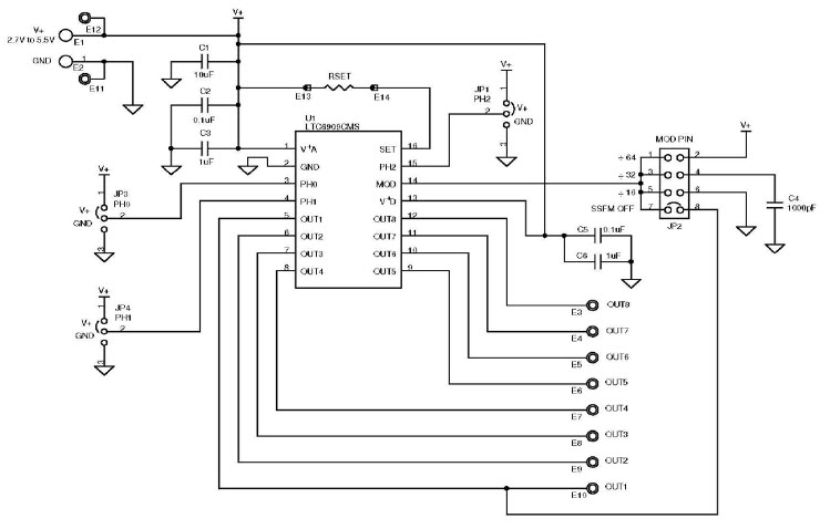
The Analog Devices DC1446A-A Demonstration Board is a versatile platform for evaluating the LTC6909, a 3 to 8 Output Multiphase Oscillator with Spread Spectrum Frequency Modulation (SSFM) and Power Management IC. This board features a wide range of features, including a wide input voltage range of 2.7V to 5.5V, adjustable output frequency range of 1kHz to 1MHz, and adjustable output voltage range of 0.6V to 5.5V. It also includes a wide range of protection features, such as over-voltage, over-current, and thermal protection. The board also includes a graphical user interface (GUI) for easy configuration and monitoring of the LTC6909. The DC1446A-A is an ideal platform for evaluating the performance of the LTC6909 in a variety of applications.
- TypeParameter
- Factory Lead Time8 Weeks
- Part StatusActive
- Moisture Sensitivity Level (MSL)1 (Unlimited)
- TypeTiming
- FunctionClock Oscillation
- Utilized IC / PartLTC6909
- Supplied ContentsBoard(s)
- EmbeddedNo
- Secondary AttributesOn-Board Test Points
- RoHS StatusROHS3 Compliant


Product
Brand
Articles
Tools

