Linear Technology/Analog Devices DC1823BDEMO BOARD FOR LT4320IDD
Description
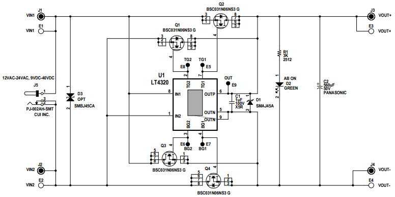
The Analog Devices DC1823B-B, DC1823B, Demo Board for LT4320IDD 1.2kW Ideal Diode Bridge Full-Wave Rectifier is a versatile and powerful tool for power management applications. It is designed to provide a full-wave rectified output from an input voltage of 12V to 24VAC @ 1.5A Iout. The board features a LT4320IDD 1.2kW ideal diode bridge rectifier, which provides a low-loss, high-efficiency solution for power conversion. The board also includes a power supply, current sense resistor, and a voltage sense resistor, allowing for precise control of the output voltage and current. The board is ideal for applications such as motor control, power supplies, and other power management applications.
Specifications
Linear Technology/Analog Devices technical specifications, attributes, parameters and parts with similar specifications to Linear Technology/Analog Devices .
- TypeParameter
- Lifecycle StatusPRODUCTION (Last Updated: 3 weeks ago)
- Factory Lead Time8 Weeks
- Number of Pins0
- Published2014
- Part StatusActive
- Moisture Sensitivity Level (MSL)1 (Unlimited)
- TypePower Management
- FunctionIdeal Diode Bridge Controller
- Utilized IC / PartLT4320
- Supplied ContentsBoard(s)
- Evaluation KitYes
- Primary Attributes4-Channel (Quad)
- EmbeddedNo
- Secondary AttributesOn-Board LEDs
- REACH SVHCNo SVHC
- RoHS StatusNon-RoHS Compliant
0 Similar Products Remaining


Product
Brand
Articles
Tools





