Linear Technology/Analog Devices DC1856A-ADEMO BOARD STEP DOWN MODULE REGU
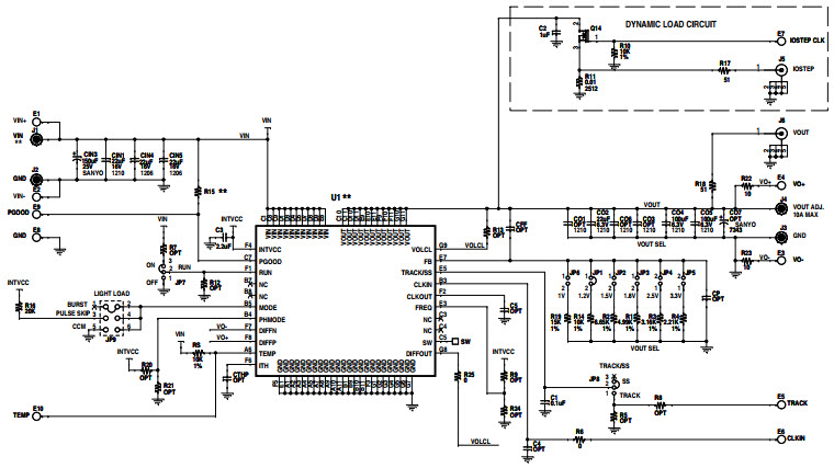
The Analog Devices DC1856A-A Demo Board is a versatile platform for evaluating the performance of the LTM4648EY 10A Step-Down Regulator. This board is designed for use in communications and telecom applications, and features a wide input voltage range of 4.5V to 36V. It also includes a wide range of features such as adjustable output voltage, adjustable switching frequency, and adjustable soft-start time. The board also includes a variety of protection features such as over-voltage, over-current, and thermal protection. The board also includes a graphical user interface for easy configuration and monitoring of the regulator. This demo board is an ideal solution for evaluating the performance of the LTM4648EY 10A Step-Down Regulator in communications and telecom applications.
- TypeParameter
- Factory Lead Time8 Weeks
- SeriesµModule®
- Published2012
- Part StatusActive
- Moisture Sensitivity Level (MSL)1 (Unlimited)
- Utilized IC / PartLTM4648
- Supplied ContentsBoard(s)
- Board TypeFully Populated
- Main PurposeDC/DC, Step Down
- Outputs and Type1, Non-Isolated
- Regulator TopologyBuck
- RoHS StatusNon-RoHS Compliant
| Part Number | Manufacturer | Description | Stock | RFQ |
|---|---|---|---|---|
| Microchip Technology | MICROCHIP - 24LC025-I/ST - SERIAL EEPROM, 2KBIT, 400KHZ, TSSOP-8 | 25 | RFQ |


Product
Brand
Articles
Tools










