Linear Technology/Analog Devices DC1924AEVAL BOARD BUCK-BOOST LT8705
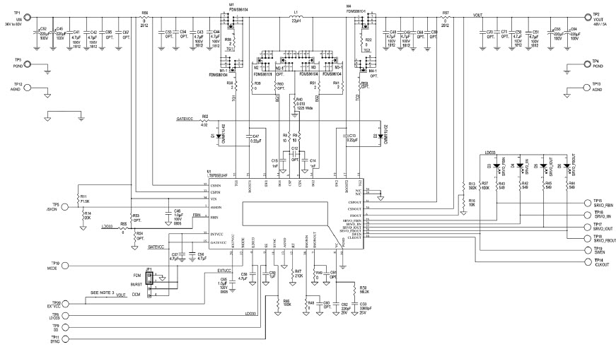
The Analog Devices DC1924A-A Demonstration Board is a powerful and versatile power management solution for a wide range of applications. It features the LT8705, an 80V VIN and VOUT synchronous 4-switch buck-boost DC-DC controller, Power Management IC. This board is designed to provide a complete solution for evaluating the performance of the LT8705 in a wide range of applications. It includes a wide range of features such as adjustable output voltage, adjustable switching frequency, adjustable soft-start, adjustable current limit, and adjustable over-voltage protection. The board also includes a graphical user interface (GUI) for easy configuration and monitoring of the board. The DC1924A-A is an ideal solution for evaluating the performance of the LT8705 in a wide range of applications.
- TypeParameter
- Lifecycle StatusPRODUCTION (Last Updated: 2 weeks ago)
- Factory Lead Time8 Weeks
- Number of Pins0
- Published2011
- Part StatusActive
- Moisture Sensitivity Level (MSL)1 (Unlimited)
- Voltage - Output48V
- Frequency - Switching200kHz
- Utilized IC / PartLT8705
- Supplied ContentsBoard(s)
- Evaluation KitYes
- Board TypeFully Populated
- Main PurposeDC/DC, Step Up or Down
- Outputs and Type1, Non-Isolated
- Regulator TopologyBuck-Boost
- REACH SVHCNo SVHC
- RoHS StatusROHS3 Compliant


Product
Brand
Articles
Tools







