Linear Technology/Analog Devices DC2509AGLEANERGY MULTI-SOURCE E H DEMO
Description
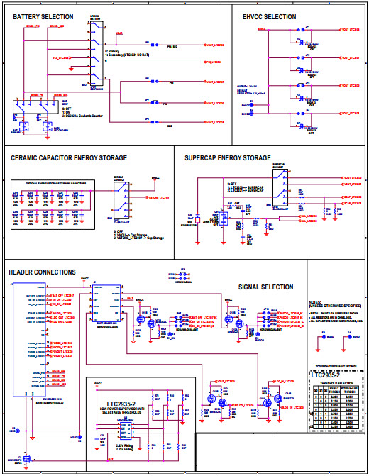
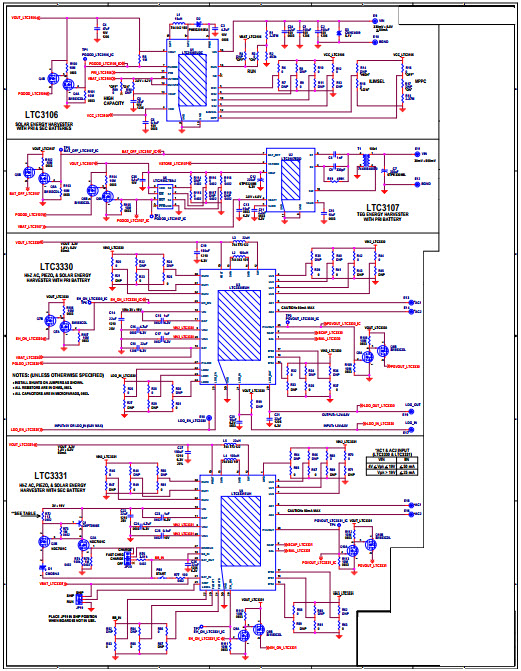
The Analog Devices DC2509A-A Gleanergy Multi-Source Energy Harvesting Demo Board with Battery Chargers and Life-Extenders is a versatile and powerful tool for use with the DC2321A Dust Demo Board. This demo board allows users to explore the possibilities of energy harvesting from multiple sources, including mechanical, thermal, and electromagnetic sources. It features a wide range of battery chargers and life-extenders, allowing users to maximize the efficiency of their energy harvesting. It also includes a variety of connectors and ports for easy integration with other systems. This demo board does not include transducers, wireless, or solar cells, making it ideal for those who are just starting out with energy harvesting.
Specifications
Linear Technology/Analog Devices technical specifications, attributes, parameters and parts with similar specifications to Linear Technology/Analog Devices .
- TypeParameter
- Factory Lead Time8 Weeks
- Part StatusActive
- Moisture Sensitivity Level (MSL)1 (Unlimited)
- TypePower Management
- FunctionEnergy Harvesting
- Utilized IC / PartLTC2935-2, LTC3106, LTC3107, LTC3330, LTC3331
- Supplied ContentsBoard(s)
- RoHS StatusROHS3 Compliant
0 Similar Products Remaining
Technical Documents
Associated Products
| Part Number | Manufacturer | Description | Stock | RFQ |
|---|---|---|---|---|
| Nidec Copal Electronics | SWITCH SLIDE DP3T 200MA 12V | 599 | BUY | |
| Analog Devices, Inc. | 0 | RFQ | ||
| Nidec Copal Electronics | SWITCH SLIDE DPDT 200MA 12V | 2271 | BUY |


Product
Brand
Articles
Tools












