Linear Technology/Analog Devices DC503ABOARD DEMO FOR LT5512EUF
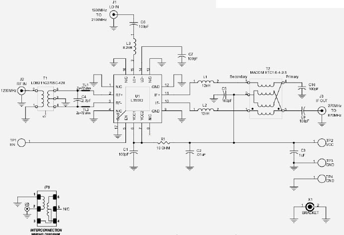
The Analog Devices DC503A-A Demo Board is a versatile and powerful tool for testing and evaluating the performance of the LT5512EUF High Signal Level, Down-Converting Mixer for CATV applications. This board is designed to provide a wide IF output for consumer electronics applications. It features a wide range of features, including a low noise amplifier, a high dynamic range mixer, and a wideband IF output. The board also includes a wide range of test points and connectors for easy connection to external test equipment. The board is also designed to be used with a variety of CATV systems, allowing for a wide range of testing and evaluation scenarios. The DC503A-A Demo Board is an ideal tool for engineers and technicians who need to evaluate the performance of the LT5512EUF High Signal Level, Down-Converting Mixer for CATV applications.
- TypeParameter
- Lifecycle StatusPRODUCTION (Last Updated: 4 weeks ago)
- Factory Lead Time8 Weeks
- Number of Pins0
- Published2002
- Part StatusActive
- Moisture Sensitivity Level (MSL)1 (Unlimited)
- TypeMixer
- Frequency1.23GHz
- Supplied ContentsBoard(s)
- RoHS StatusROHS3 Compliant
| Part Number | Manufacturer | Description | Stock | RFQ |
|---|---|---|---|---|
| Abracon LLC | CRYSTAL 4.0000MHZ 18PF SMD | 16350 | BUY | |
| Microchip Technology | MICROCHIP - 24LC025-I/ST - SERIAL EEPROM, 2KBIT, 400KHZ, TSSOP-8 | 25 | RFQ |


Product
Brand
Articles
Tools



