Linear Technology/Analog Devices DC976ABOARD DEMO FOR LT3476EUHF
Description
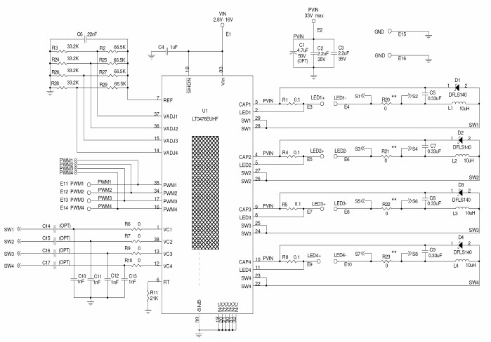
The Analog Devices DC976A-A LT3476EUHF Demo Board is a quad high power LED driver designed for consumer electronics applications. It is capable of driving up to four LEDs in buck mode, providing a high level of efficiency and brightness. The board features a wide input voltage range of 4.5V to 60V, adjustable output current up to 1.5A, and a wide dimming range of 0.1% to 100%. It also includes a variety of protection features such as over-voltage, over-temperature, and short-circuit protection. The board is easy to use and provides a reliable and cost-effective solution for driving high power LEDs in consumer electronics applications.
Specifications
Linear Technology/Analog Devices technical specifications, attributes, parameters and parts with similar specifications to Linear Technology/Analog Devices .
- TypeParameter
- Lifecycle StatusPRODUCTION (Last Updated: 3 weeks ago)
- Factory Lead Time8 Weeks
- Number of Pins0
- PackagingBox
- Part StatusActive
- Moisture Sensitivity Level (MSL)1 (Unlimited)
- Voltage - Output27V
- Utilized IC / PartLT3476
- Supplied ContentsBoard(s)
- Outputs and Type4, Non-Isolated
- FeaturesDimmable
- RoHS StatusROHS3 Compliant
0 Similar Products Remaining
Technical Documents
Associated Products
| Part Number | Manufacturer | Description | Stock | RFQ |
|---|---|---|---|---|
| Analog Devices, Inc. | 0 | RFQ |


Product
Brand
Articles
Tools






