Maxim Integrated DS21349DKKIT DESIGN FOR DS21349
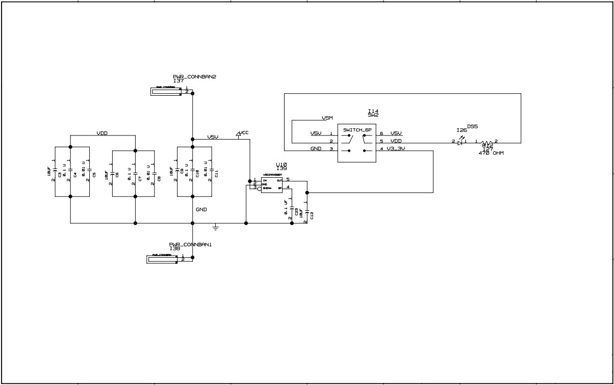
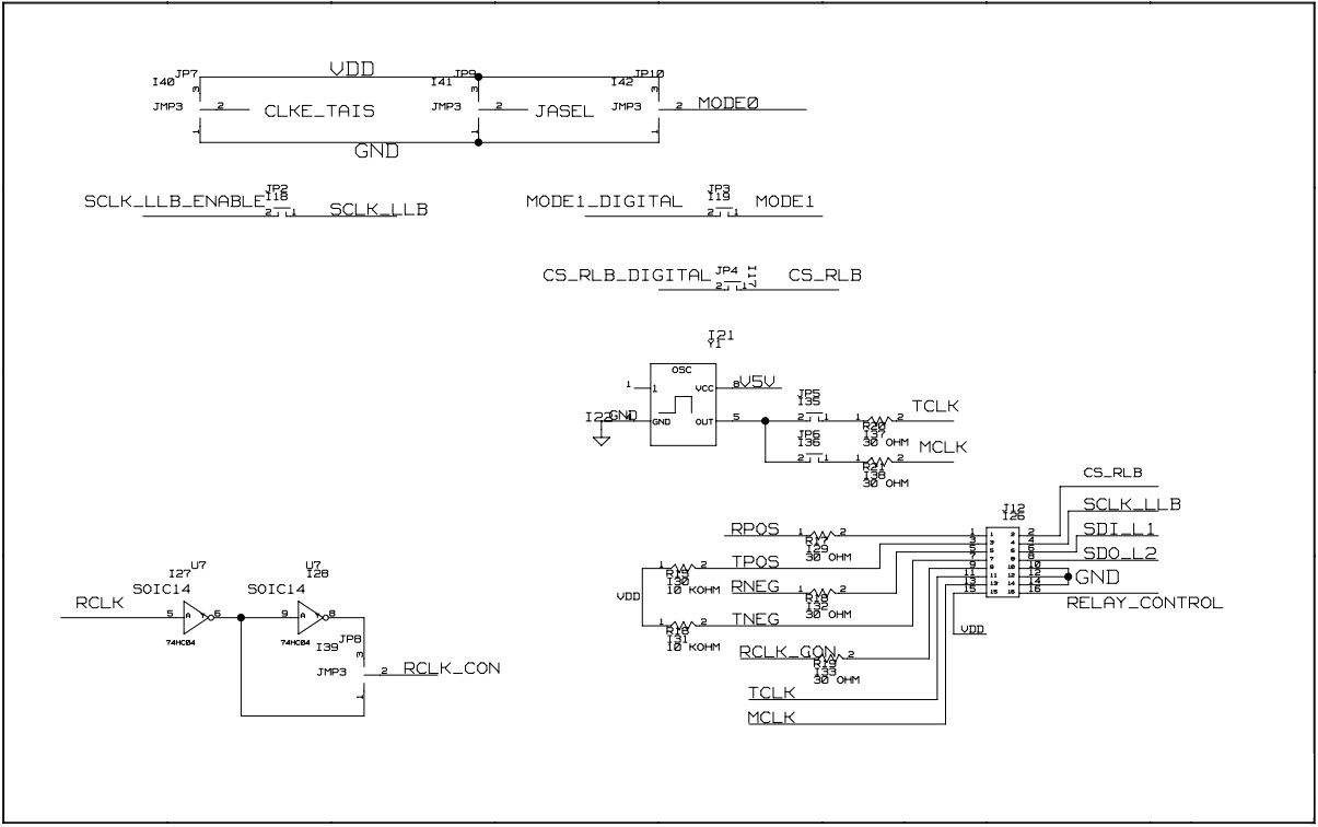
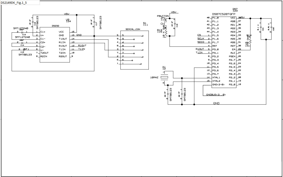
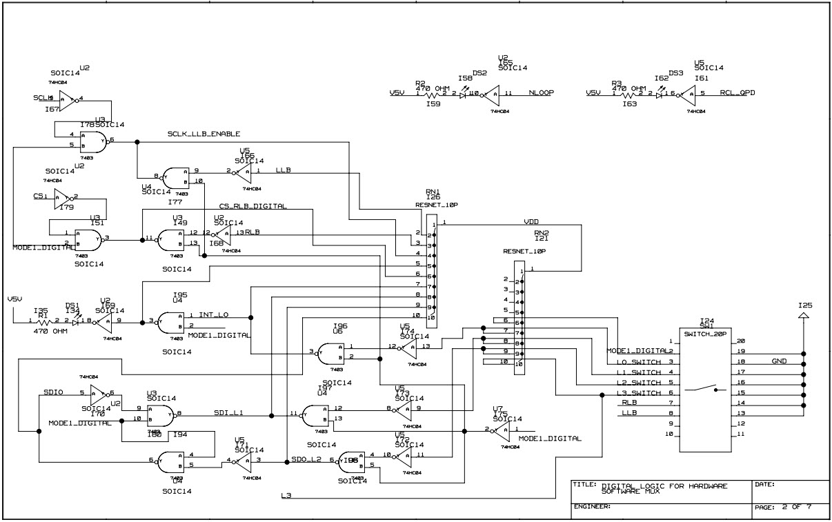
The Maxim Integrated DS21349DK-DK, DS21349DK, 3.3V T1/J1 Line Interface Unit (LIU) Design Kit is a comprehensive communications and telecom solution for designing and testing T1/J1 line interface units. This design kit includes a DS21349DK-DK evaluation board, a DS21349DK-DK reference design, and a DS21349DK-DK software package. The evaluation board provides a platform for testing and evaluating the performance of the DS21349DK-DK LIU. The reference design provides a complete schematic and layout for the DS21349DK-DK LIU. The software package includes a comprehensive set of tools for designing, testing, and debugging the DS21349DK-DK LIU. This design kit is ideal for engineers and technicians who need to quickly and easily design and test T1/J1 line interface units.
- TypeParameter
- Published2003
- Part StatusActive
- Moisture Sensitivity Level (MSL)1 (Unlimited)
- TypeTelecom
- FunctionLine Interface Units (LIUs)
- Utilized IC / PartDS21349
- Supplied ContentsBoard(s)
- Evaluation KitYes
- RoHS StatusNon-RoHS Compliant
| Part Number | Manufacturer | Description | Stock | RFQ |
|---|---|---|---|---|
| Texas Instruments | Quad 2-input positive-NAND buffers with open collector outputs 14-SSOP | 140 | BUY | |
| Texas Instruments | IC GATE NAND 4CH 2-INP 14-SOIC | 2113 | RFQ | |
| Texas Instruments | Quad 2-input positive-NAND buffers with open collector outputs 14-SSOP | 1900 | RFQ | |
| Texas Instruments | IC GATE NAND 4CH 2-INP 14-SOIC | 0 | RFQ | |
| Texas Instruments | IC GATE NAND 4CH 2-INP 14-SOIC | 42 | BUY |


Product
Brand
Articles
Tools


















