Maxim Integrated DS8005-KITEVALUATION KIT FOR DS8005
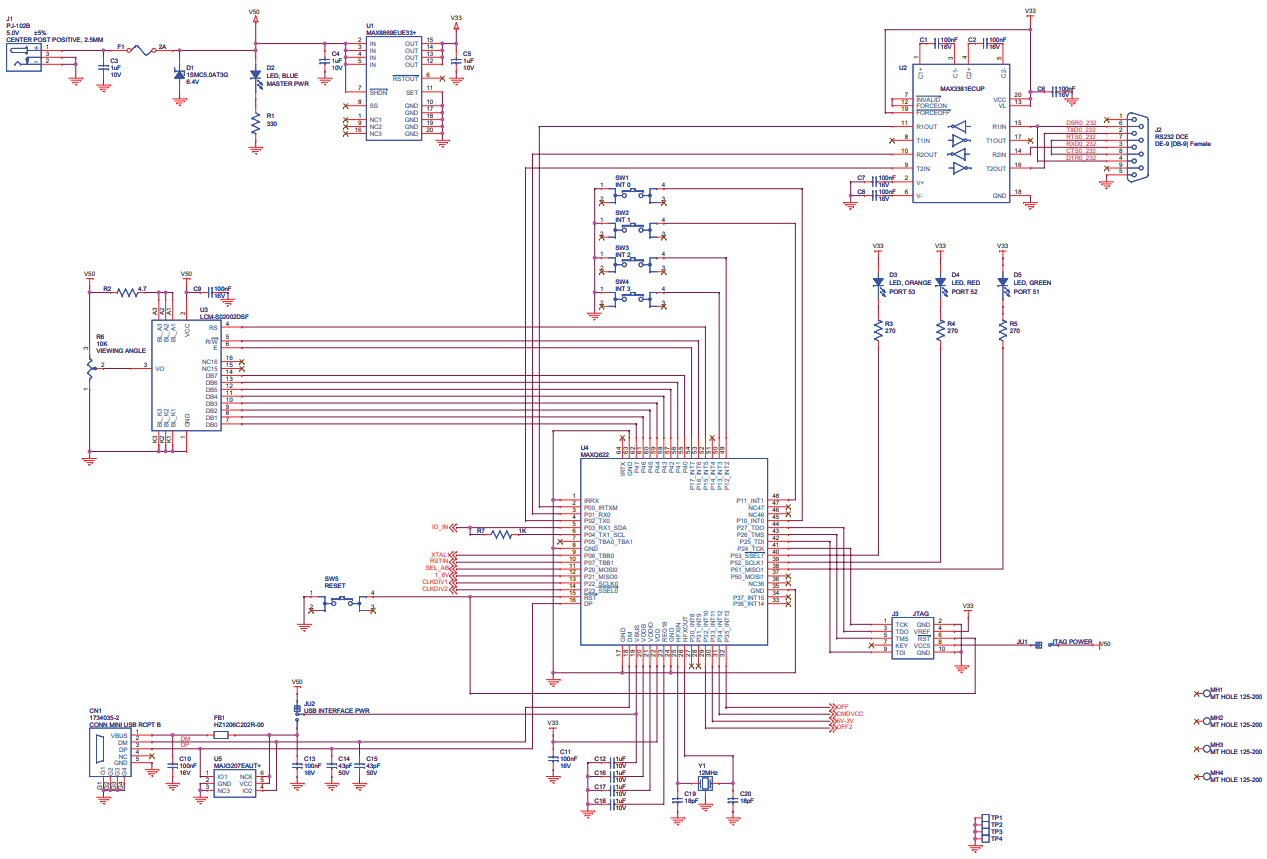
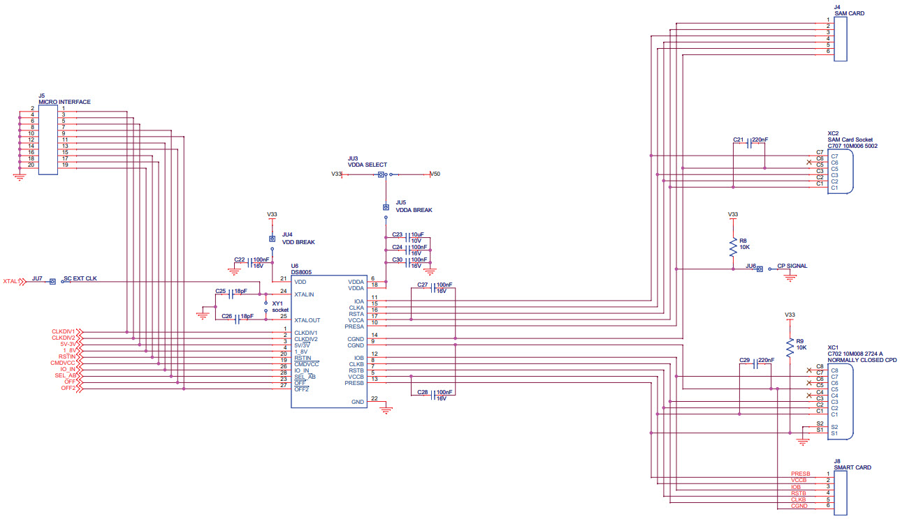
The Maxim Integrated DS8005-KIT is an evaluation kit for the DS8005 Smart Card Interface, Security and Authentication IC. This kit provides a comprehensive set of tools to evaluate the features and performance of the DS8005 IC. It includes a DS8005 evaluation board, a USB-to-Smart Card interface, a Smart Card reader, and a set of software tools. The evaluation board allows users to quickly and easily evaluate the features of the DS8005 IC, such as secure authentication, secure data storage, and secure communication. The USB-to-Smart Card interface allows users to connect the DS8005 IC to a PC for programming and debugging. The Smart Card reader allows users to read and write data to a Smart Card. The software tools provide a graphical user interface for programming and debugging the DS8005 IC. The DS8005-KIT is an ideal tool for developers who need to evaluate the features and performance of the DS8005 IC.
- TypeParameter
- Published2010
- Part StatusObsolete
- Moisture Sensitivity Level (MSL)2 (1 Year)
- TypeInterface
- FunctionAnalog Front End (AFE)
- Utilized IC / PartDS8005
- Supplied ContentsBoard(s)
- Evaluation KitYes
- Radiation HardeningNo
- RoHS StatusROHS3 Compliant
| Part Number | Manufacturer | Description | Stock | RFQ |
|---|---|---|---|---|
| ECS Inc. | CRYSTAL 12.0000MHZ 18PF SMD | 1129 | BUY | |
| Lumex Opto/Components Inc. | LUMEX LCM-S02002DSF Alphanumeric LCD, 20 x 2, Black on Yellow / Green, 5V, Parallel, English, Japanese, Transflective | 31 | BUY | |
| Maxim Integrated | IC REG LINEAR POS ADJ 1A 16TSSOP | 1881 | RFQ |










