Maxim Integrated MAX13325EVKIT+Evaluation Kit With Fully Differential Inputs And Outputs
Description
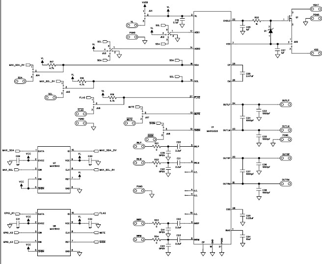
The MAX13325EVKIT+ Evaluation Kit is designed to evaluate the MAX13325 dual audio line driver and audio line receiver. The kit includes a MAX13325EVKIT+ board, a USB-to-I2C adapter, and a USB cable. The board features two MAX13325 devices, each with two audio line drivers and two audio line receivers. The board also includes a power supply, a headphone jack, and a microphone jack. The USB-to-I2C adapter allows the user to control the MAX13325 devices via an I2C interface. The USB cable connects the USB-to-I2C adapter to a computer for programming and control. The MAX13325EVKIT+ Evaluation Kit is ideal for evaluating the performance of the MAX13325 dual audio line driver and audio line receiver.
Specifications
Maxim Integrated technical specifications, attributes, parameters and parts with similar specifications to Maxim Integrated .
- TypeParameter
- Published2013
- Part StatusActive
- Moisture Sensitivity Level (MSL)1 (Unlimited)
- Evaluation KitYes
- Radiation HardeningNo
- RoHS StatusNon-RoHS Compliant
0 Similar Products Remaining
Technical Documents
Associated Products
| Part Number | Manufacturer | Description | Stock | RFQ |
|---|---|---|---|---|
| Maxim Integrated | IC ADC 12BIT SERIAL 8-SOIC | 3000 | BUY | |
| Maxim Integrated | IC VREF SERIES 2.048V 8UMAX | 5000 | RFQ |


Product
Brand
Articles
Tools





