Maxim Integrated MAX13335EEVKIT#EVAL KIT
Description
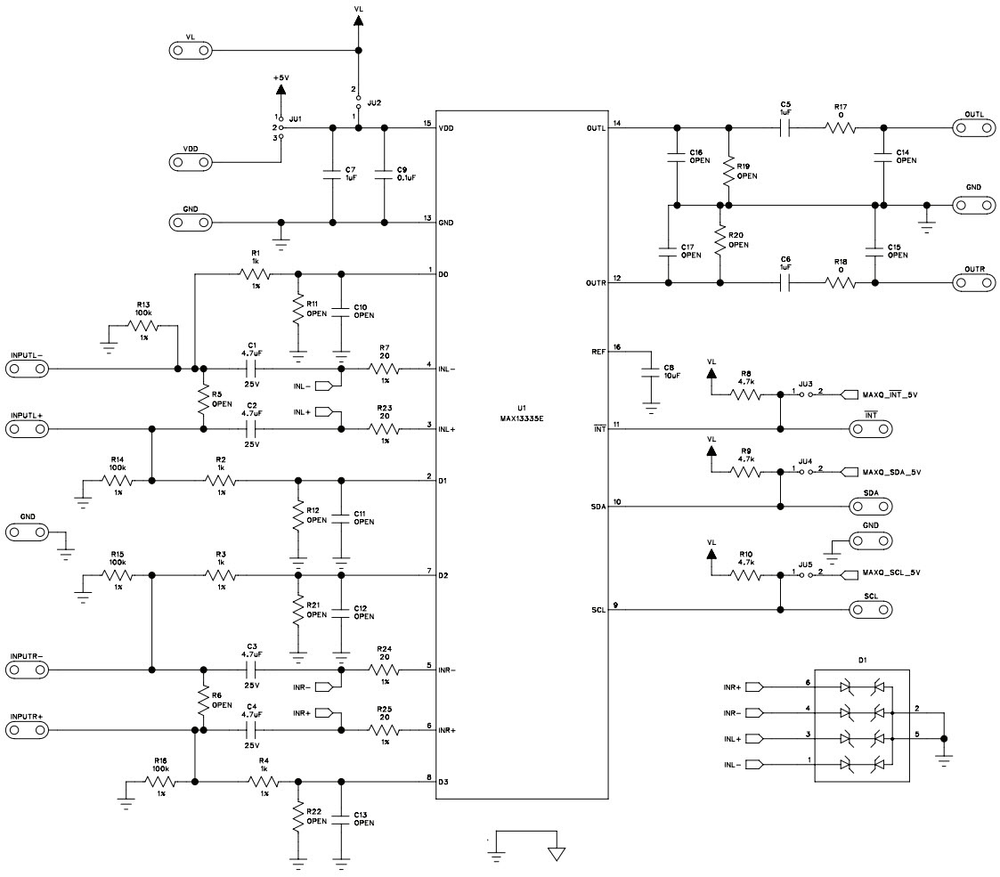
The MAX13335EEVKIT-EEVKIT# is an evaluation kit for the MAX13336E Dual Automotive Differential Audio Receivers with I2C Control and Diagnostics, Security, and ESD Protection. This kit includes two MAX13336E devices, a MAX13335EEVKIT# board, and a USB cable. The MAX13335EEVKIT# board provides a complete evaluation platform for the MAX13336E devices, allowing users to quickly and easily evaluate the performance of the devices. The board includes a USB interface for programming and debugging, as well as a variety of connectors for connecting to external audio sources. The board also includes a variety of diagnostic and security features, such as ESD protection, to ensure reliable operation.
Specifications
Maxim Integrated technical specifications, attributes, parameters and parts with similar specifications to Maxim Integrated .
- TypeParameter
- Factory Lead Time6 Weeks
- Published2012
- Part StatusActive
- Moisture Sensitivity Level (MSL)1 (Unlimited)
- TypeAudio
- Base Part NumberMAX13335
- FunctionReceiver, Digital Interface
- Utilized IC / PartMAX13335E
- Supplied ContentsBoard(s)
- RoHS StatusROHS3 Compliant
0 Similar Products Remaining
Technical Documents
Associated Products
| Part Number | Manufacturer | Description | Stock | RFQ |
|---|---|---|---|---|
| Maxim Integrated | LDO Voltage Regulators 120mA Linear Regulator | 43 | BUY |


Product
Brand
Articles
Tools








