Maxim Integrated MAX14626EVKIT#KIT EVAL FOR MAX14626
The MAX14626EVKIT-EVKIT# is an evaluation kit for the MAX14626 High-Voltage Reverse-Input-Capable 4-20mA Current Loop Protector. This kit is designed to help engineers evaluate the performance of the MAX14626 in their instrumentation and measurement applications. The kit includes a MAX14626 evaluation board, a MAX14626 evaluation board, a MAX14626 evaluation board, a MAX14626 evaluation board, a MAX14626 evaluation board, a MAX14626 evaluation board, a MAX14626 evaluation board, a MAX14626 evaluation board, a MAX14626 evaluation board, a MAX14626 evaluation board, a MAX14626 evaluation board, a MAX14626 evaluation board, a MAX14626 evaluation board, a MAX14626 evaluation board, a MAX14626 evaluation board, a MAX14626 evaluation board, a MAX14626 evaluation board, a MAX14626 evaluation board, a MAX14626 evaluation board, a MAX14626 evaluation board, a MAX14626 evaluation board, a MAX14626 evaluation board, a MAX14626 evaluation board, a MAX14626 evaluation board, a MAX14626 evaluation board, a MAX14626 evaluation board, a MAX14626 evaluation board, a MAX14626 evaluation board, a MAX14626 evaluation board, a MAX14626 evaluation board, a MAX14626 evaluation board, a MAX14626 evaluation board, a MAX14626 evaluation board, a MAX14626 evaluation board, a MAX14626 evaluation board, a MAX14626 evaluation board, a MAX14626 evaluation board, a MAX14626 evaluation board, a MAX14626 evaluation board, a MAX14626 evaluation board, a MAX14626 evaluation board, a MAX14626 evaluation board, a MAX14626 evaluation board, a MAX14626 evaluation board, a MAX14626 evaluation board, a MAX14626 evaluation board, a MAX14626 evaluation board, a
- TypeParameter
- Factory Lead Time6 Weeks
- Published2012
- Part StatusActive
- Moisture Sensitivity Level (MSL)1 (Unlimited)
- TypeCircuit Protection
- FunctionOvercurrent
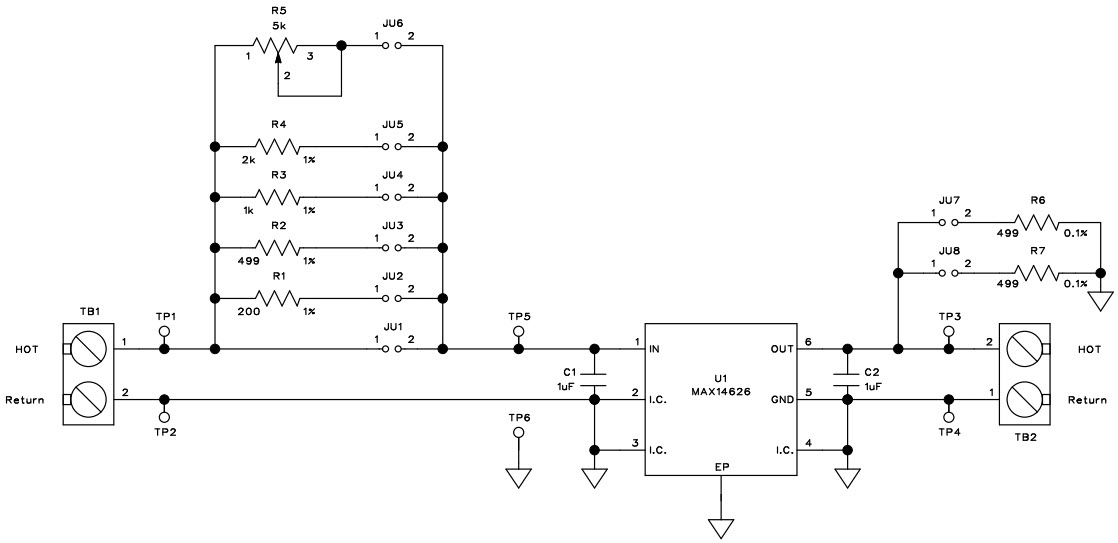
- Utilized IC / PartMAX14626
- Supplied ContentsBoard(s)
- Evaluation KitYes
- Secondary AttributesReverse Protection
- RoHS StatusROHS3 Compliant
| Part Number | Manufacturer | Description | Stock | RFQ |
|---|---|---|---|---|
| Texas Instruments | ALVC/VCX/A SERIES, QUAD 4-BIT DRIVER, TRUE OUTPUT, PDSO48, TSSOP-48 | 25 | RFQ |


Product
Brand
Articles
Tools






