Maxim Integrated MAX14750EVKIT#MAXIM INTEGRATED PRODUCTS MAX14750EVKIT# WEARABLE CHARGE MANAGEMENT SOLUTIONNew
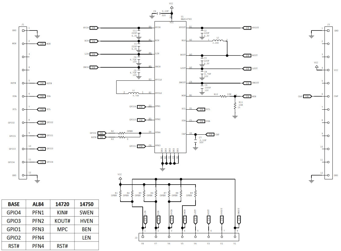
The MAX14750EVKIT-EVKIT# is an evaluation kit for the MAX14750 Power-Management Solution, designed for medical and healthcare applications. This kit provides a comprehensive set of components and features to help evaluate the MAX14750's performance and capabilities. It includes a MAX14750 evaluation board, a USB-to-I2C interface board, and a power supply. The evaluation board features a wide range of power-management functions, including power-on reset, power-fail detection, and over-voltage protection. The USB-to-I2C interface board allows for easy communication with the MAX14750, while the power supply provides a stable power source for the evaluation board. This kit is ideal for evaluating the MAX14750's performance in medical and healthcare applications.
- TypeParameter
- Factory Lead Time6 Weeks
- Published2016
- Part StatusActive
- Moisture Sensitivity Level (MSL)1 (Unlimited)
- Base Part NumberMAX14750
- Utilized IC / PartMAX14720, MAX14750
- Supplied ContentsBoard(s)
- Board TypeFully Populated
- Main PurposeDC/DC, Step Up or Down with LDO
- Outputs and Type3, Non-Isolated
- REACH SVHCNo SVHC
- RoHS StatusNon-RoHS Compliant


Product
Brand
Articles
Tools



