Maxim Integrated MAX14895EEVKIT#EVAL KIT MAX14895E (ENHANCED VGA
Description
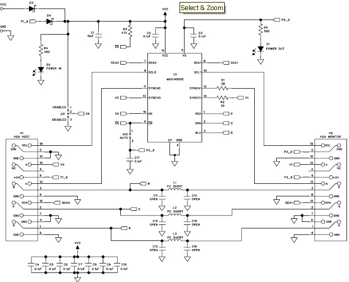
The MAX14895EEVKIT-EEVKIT# is an evaluation kit for the MAX14895 Level Translator from Maxim Integrated. This kit is designed to help engineers evaluate the performance of the MAX14895 Level Translator, which is used to convert between different voltage levels in computers and peripherals. The kit includes a MAX14895EEVKIT# board, a USB cable, and a user guide. The board features a MAX14895 Level Translator, a USB-to-UART bridge, and a USB-to-I2C bridge. The kit also includes a set of jumpers and test points to help engineers evaluate the performance of the MAX14895 Level Translator. The user guide provides detailed instructions on how to use the kit and how to evaluate the performance of the MAX14895 Level Translator.
Specifications
Maxim Integrated technical specifications, attributes, parameters and parts with similar specifications to Maxim Integrated .
- TypeParameter
- Factory Lead Time2 Weeks
- Part StatusActive
- Moisture Sensitivity Level (MSL)1 (Unlimited)
- RoHS StatusNon-RoHS Compliant
0 Similar Products Remaining


Product
Brand
Articles
Tools

