Maxim Integrated MAX14921EVKIT#MAX14921 Series High-Accuracy 12-/16-Cell Measurement AFEs Evaluation Kit
Description
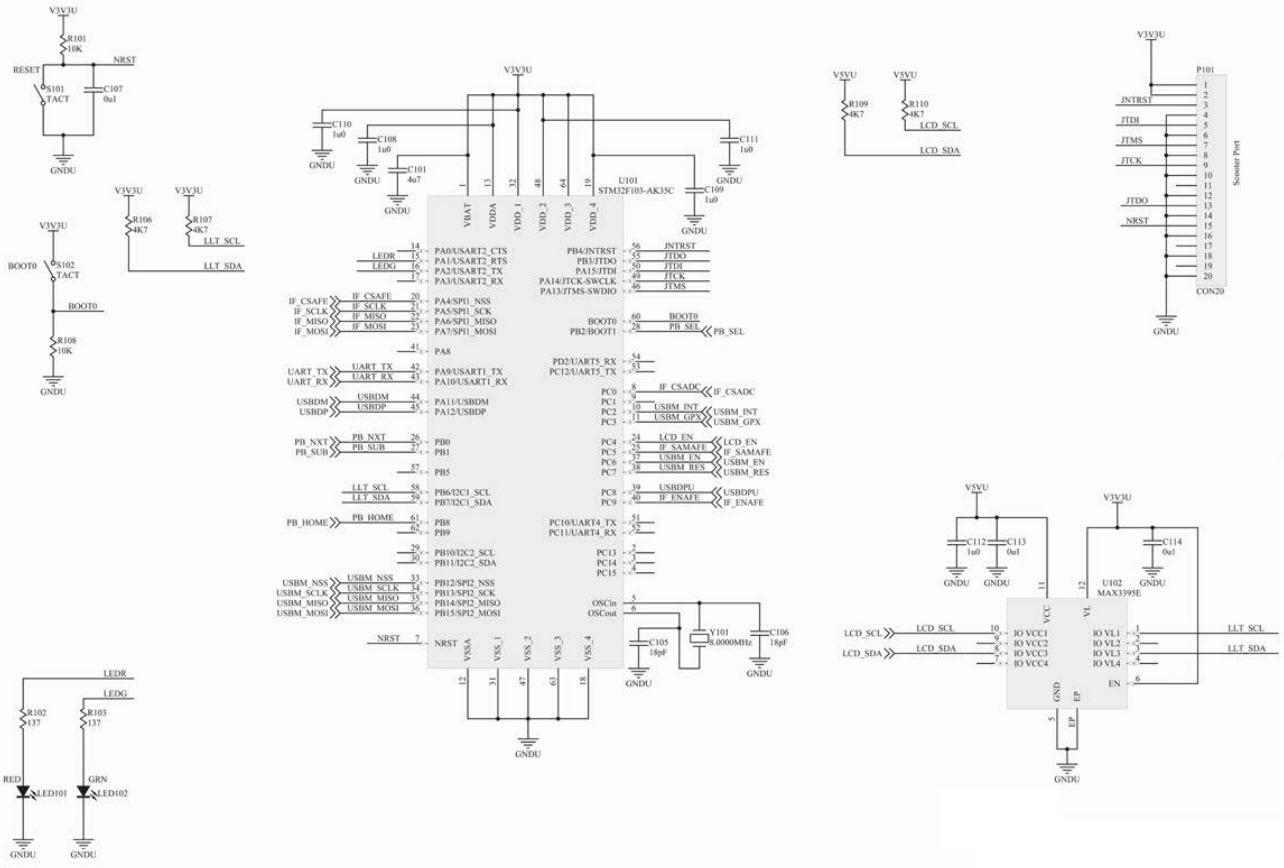
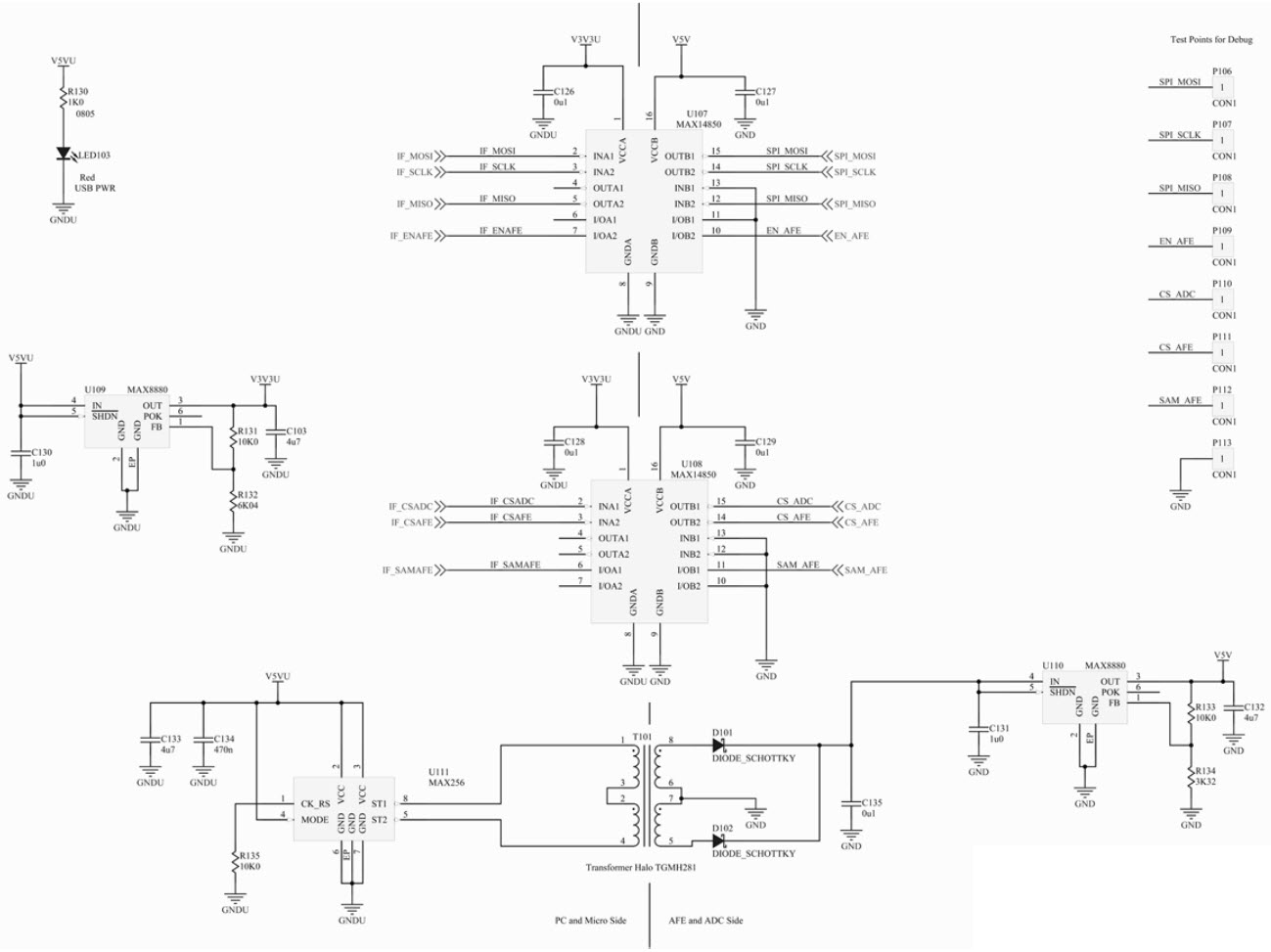
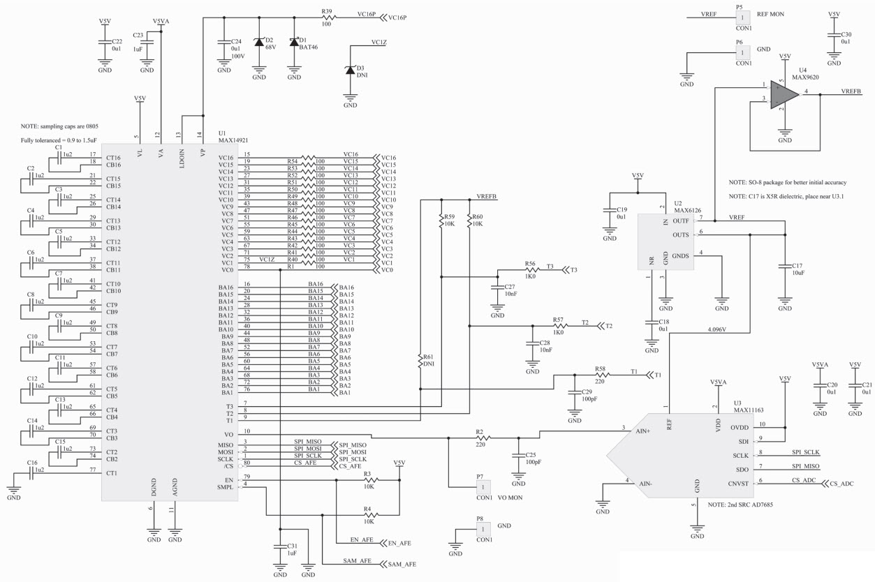
The MAX14921EVKIT-EVKIT# is an evaluation kit for the MAX14921 High-Accuracy 16-Cell Measurement AFEs, Power Management ICs. This kit provides a complete platform for evaluating the MAX14921 ICs and their features. It includes a MAX14921 evaluation board, a USB-to-I2C interface board, and a USB cable. The evaluation board is populated with the MAX14921 IC and all the necessary components to evaluate the IC’s features. The USB-to-I2C interface board allows for easy communication with the MAX14921 IC. The kit also includes a comprehensive user guide and software to help users get started quickly. The MAX14921EVKIT-EVKIT# is an ideal tool for evaluating the MAX14921 ICs and their features.
Specifications
Maxim Integrated technical specifications, attributes, parameters and parts with similar specifications to Maxim Integrated .
- TypeParameter
- Factory Lead Time6 Weeks
- Published2013
- Part StatusActive
- Moisture Sensitivity Level (MSL)1 (Unlimited)
- RoHS StatusNon-RoHS Compliant
0 Similar Products Remaining
Technical Documents
Associated Products
| Part Number | Manufacturer | Description | Stock | RFQ |
|---|---|---|---|---|
| FTDI, Future Technology Devices International Ltd | IC USB FS SERIAL UART 28-SSOP | 4000 | RFQ | |
| Maxim Integrated | IC, TRANSFORMER H-BRIDGE DRIVER 1A 8-SOIC - More Details | 300 | RFQ | |
| Maxim Integrated | 5 | RFQ | ||
| STMicroelectronics | MCU 32-bit STM32F1 ARM Cortex M3 RISC 512KB Flash 2.5V/3.3V 64-Pin LQFP Tray | 86 | RFQ |


Product
Brand
Articles
Tools















