Maxim Integrated MAX2248EVKIT#EVAL KIT MAX2248
Description
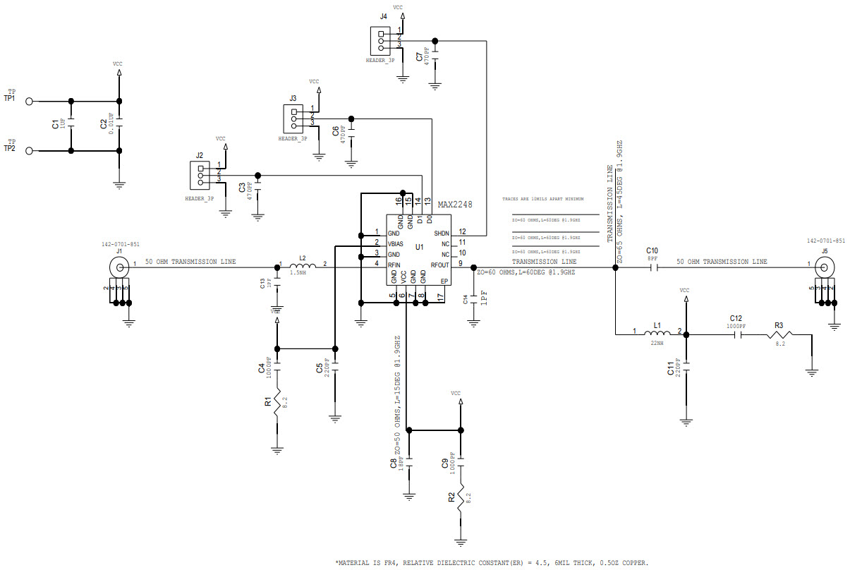
The MAX2248EVKIT-EVKIT# is an evaluation kit for the MAX2248 1.9GHz power amplifier, designed for consumer electronics applications. This kit includes a MAX2248 evaluation board, a power supply, and a set of SMA cables for connecting the board to external components. The board features a wide range of test points and adjustable components, allowing users to evaluate the performance of the MAX2248 in various configurations. The kit also includes a comprehensive user guide, providing detailed instructions on how to use the board and interpret the results. With the MAX2248EVKIT-EVKIT#, engineers can quickly and easily evaluate the performance of the MAX2248 power amplifier for their consumer electronics applications.
Specifications
Maxim Integrated technical specifications, attributes, parameters and parts with similar specifications to Maxim Integrated .
- TypeParameter
- Factory Lead Time6 Weeks
- Published2017
- Part StatusActive
- Moisture Sensitivity Level (MSL)1 (Unlimited)
- TypeAmplifier
- Frequency1.88GHz~1.93GHz
- Supplied ContentsBoard(s)
- RoHS StatusROHS3 Compliant
0 Similar Products Remaining
Technical Documents
Associated Products
| Part Number | Manufacturer | Description | Stock | RFQ |
|---|---|---|---|---|
| Analog Devices | IC REG LINEAR POS ADJ 200MA SOT6 | 0 | RFQ |


Product
Brand
Articles
Tools








