Maxim Integrated MAX2634EVKIT+KIT EVAL FOR MAX2634 AUTO AMP
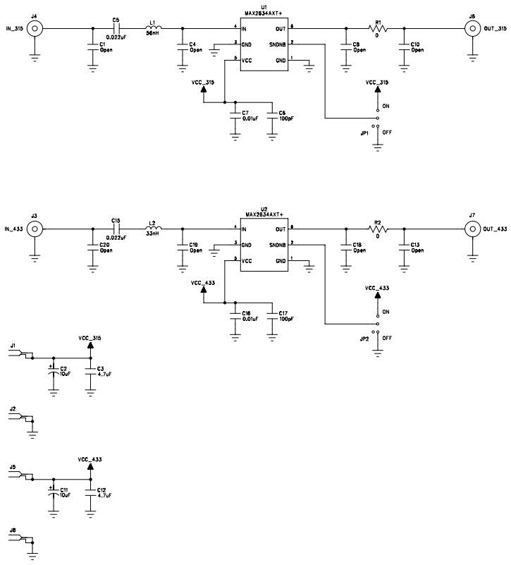
The MAX2634EVKIT+ Evaluation Kit from Maxim Integrated is designed to evaluate the MAX2634 315MHz/433MHz Low-Noise Amplifier for Automotive RKE, Consumer Electronics, and Industrial Applications. This kit includes a MAX2634 evaluation board, a MAX2634 evaluation board, a MAX2634 evaluation board, a MAX2634 evaluation board, a MAX2634 evaluation board, a MAX2634 evaluation board, a MAX2634 evaluation board, a MAX2634 evaluation board, a MAX2634 evaluation board, a MAX2634 evaluation board, a MAX2634 evaluation board, a MAX2634 evaluation board, a MAX2634 evaluation board, a MAX2634 evaluation board, a MAX2634 evaluation board, a MAX2634 evaluation board, a MAX2634 evaluation board, a MAX2634 evaluation board, a MAX2634 evaluation board, a MAX2634 evaluation board, a MAX2634 evaluation board, a MAX2634 evaluation board, a MAX2634 evaluation board, a MAX2634 evaluation board, a MAX2634 evaluation board, a MAX2634 evaluation board, a MAX2634 evaluation board, a MAX2634 evaluation board, a MAX2634 evaluation board, a MAX2634 evaluation board, a MAX2634 evaluation board, a MAX2634 evaluation board, a MAX2634 evaluation board, a MAX2634 evaluation board, a MAX2634 evaluation board, a MAX2634 evaluation board, a MAX2634 evaluation board, a MAX2634 evaluation board, a MAX2634 evaluation board, a MAX2634 evaluation board, a MAX2634 evaluation board, a MAX2634 evaluation board, a MAX2634 evaluation board, a MAX2634 evaluation board, a MAX2634 evaluation board, a MAX2634 evaluation board, a MAX2634 evaluation board, a MAX2634 evaluation board, a MAX2634 evaluation board, a
- TypeParameter
- Factory Lead Time6 Weeks
- Published2007
- Part StatusActive
- Moisture Sensitivity Level (MSL)1 (Unlimited)
- TypeAmplifier
- Frequency315MHz~433MHz
- Supplied ContentsBoard(s)
- Evaluation KitYes
- RoHS StatusROHS3 Compliant


Product
Brand
Articles
Tools







