Maxim Integrated MAX35104EVKIT2#ULTRASONIC FLOW AND DISTANCE MEA
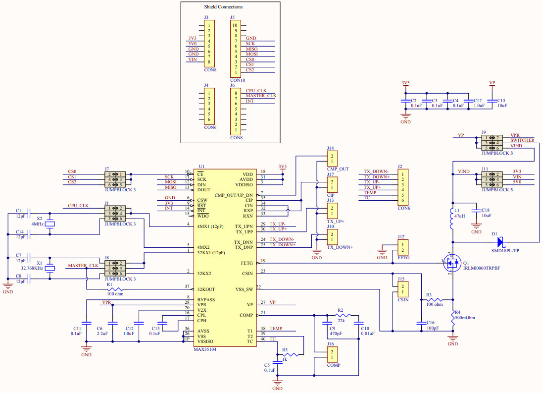
The MAX35104EVKIT2-EVKIT2# is an evaluation kit for the MAX35104 Gas Flow Meter SoC from Maxim Integrated. This kit provides a comprehensive platform for evaluating the performance of the MAX35104 SoC, which is designed for instrumentation and measurement applications. The kit includes a MAX35104EVKIT2# board, a MAX35104EVKIT2# daughter board, and a MAX35104EVKIT2# software package. The board features a MAX35104 SoC, a MAX35104EVKIT2# daughter board, and a MAX35104EVKIT2# software package. The daughter board provides a variety of analog and digital interfaces, including a USB port, a UART port, and a SPI port. The software package includes a GUI, a library of example programs, and a set of tools for configuring and testing the MAX35104 SoC. The MAX35104EVKIT2-EVKIT2# is an ideal platform for evaluating the performance of the MAX35104 SoC for instrumentation and measurement applications.
- TypeParameter
- Factory Lead Time6 Weeks
- Part StatusActive
- Moisture Sensitivity Level (MSL)Not Applicable
- TypeInterface
- FunctionTime-to-Digital Converter
- Utilized IC / PartMAX35104
- Supplied ContentsBoard(s)
- RoHS StatusNon-RoHS Compliant
| Part Number | Manufacturer | Description | Stock | RFQ |
|---|---|---|---|---|
| Maxim Integrated | MAXIM INTEGRATED PRODUCTS MAX3160EEAP . Transceiver RS232/RS422/RS485, 2-drivers, 3V-5.5V Supply, SSOP-20 | 3500 | RFQ |


Product
Brand
Articles
Tools




