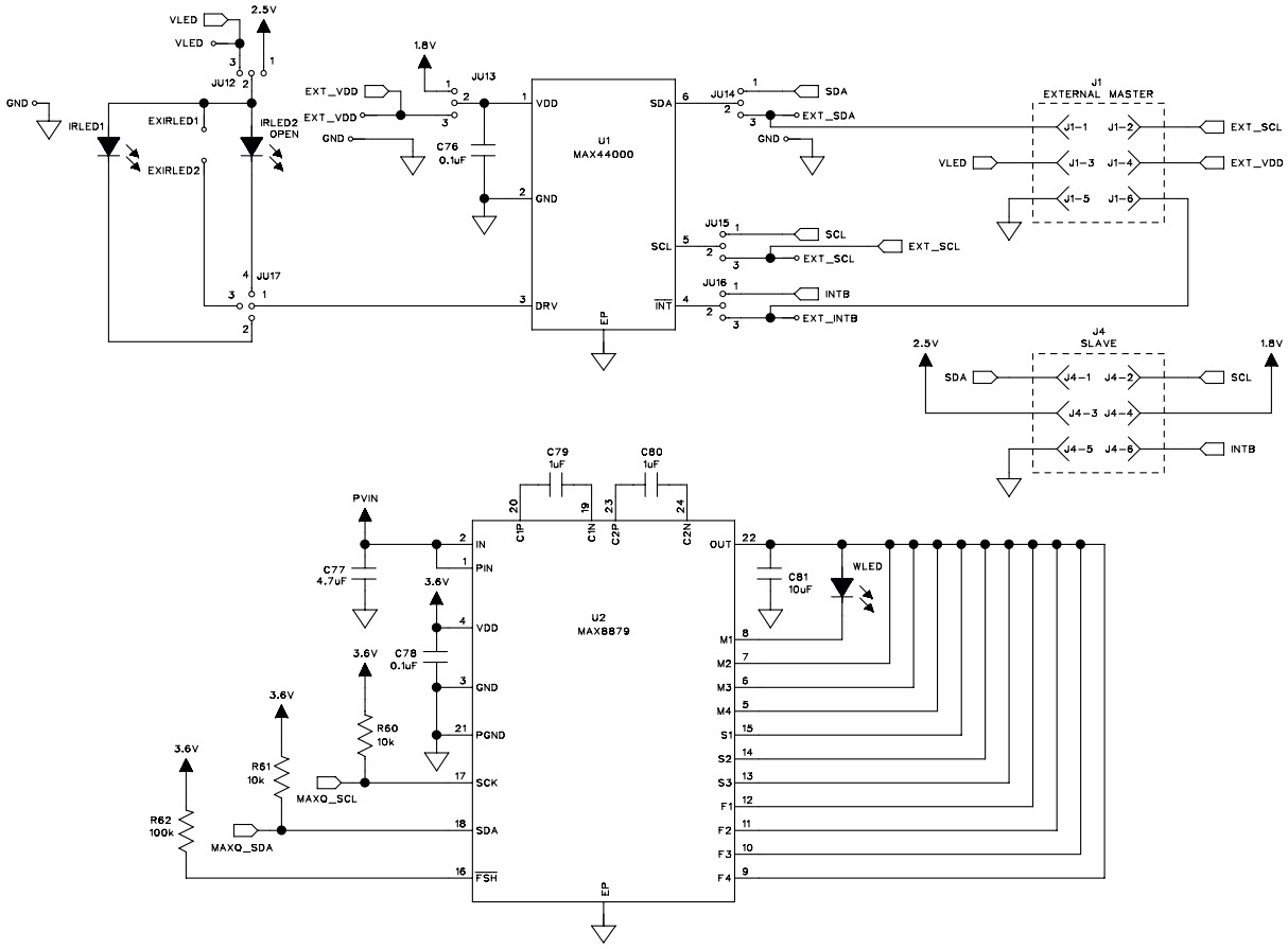
Maxim Integrated MAX44000EVSYS#Optical Sensors - Development Tools MAX44000 EVAL KIT
The MAX44000EVSYS-EVSYS# Evaluation System for the MAX44000 Ambient and Infrared Proximity Sensor is a comprehensive evaluation system designed to help consumer electronics designers quickly and easily evaluate the performance of the MAX44000 sensor. The system includes a MAX44000EVSYS# evaluation board, a MAX44000EVSYS# software package, and a MAX44000EVSYS# evaluation cable. The evaluation board provides a convenient platform for testing the MAX44000 sensor, while the software package provides a graphical user interface for configuring and monitoring the sensor. The evaluation cable allows the user to connect the evaluation board to a PC for data logging and analysis. The MAX44000EVSYS-EVSYS# Evaluation System is an ideal tool for evaluating the performance of the MAX44000 sensor in consumer electronics applications.
- TypeParameter
- PackagingBox
- Published2012
- Part StatusActive
- Moisture Sensitivity Level (MSL)1 (Unlimited)
- Max Operating Temperature105°C
- Min Operating Temperature-40°C
- Voltage - Supply5V USB
- Operating Supply Voltage3.6V
- InterfaceI2C, Serial
- Utilized IC / PartMAX44000
- Supplied ContentsBoard(s)
- Evaluation KitYes
- Sensor TypeProximity, Infrared and Ambient Light
- Radiation HardeningNo
- RoHS StatusNon-RoHS Compliant


Product
Brand
Articles
Tools











