Maxim Integrated MAX44211EVKIT#EVAL KIT FOR MAX44211
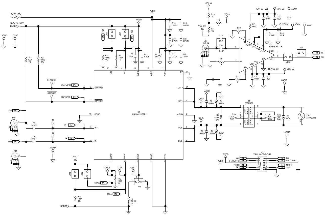
The MAX44211EVKIT-EVKIT# is an evaluation kit for the MAX44211 high-current differential line driver for powerline communications, lighting, and industrial automation. This kit includes a MAX44211EVKIT# board, a MAX44211EVKIT# daughter board, and a MAX44211EVKIT# power supply. The MAX44211EVKIT# board features a MAX44211 high-current differential line driver, which is capable of driving up to 1A of current. The MAX44211EVKIT# daughter board provides a convenient way to evaluate the MAX44211's performance in a variety of applications. The MAX44211EVKIT# power supply provides the necessary power to the MAX44211EVKIT# board and daughter board. This evaluation kit is ideal for evaluating the performance of the MAX44211 in powerline communications, lighting, and industrial automation applications.
- TypeParameter
- Lifecycle StatusPRODUCTION (Last Updated: 1 month ago)
- Factory Lead Time6 Weeks
- Published2015
- Part StatusActive
- Moisture Sensitivity Level (MSL)1 (Unlimited)
- TypeInterface
- FunctionPower Line Communication/Modem (PLC, PLM)
- Utilized IC / PartMAX44211
- Supplied ContentsBoard(s)
- Evaluation KitYes
- REACH SVHCUnknown
- RoHS StatusROHS3 Compliant


Product
Brand
Articles
Tools





