Share
Maxim Integrated MAX4888BEVKIT#EVKIT FOR UP TO 8.0GBPS DUAL PAS
Description
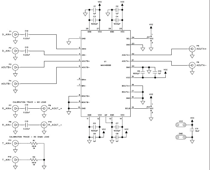
The MAX4888BEVKIT-BEVKIT# is an evaluation kit for the MAX4888B dual double-pole/double-throw (2 x DPDT) switch from Maxim Integrated. This switch is designed for use in computers and peripherals, and is capable of switching up to two independent signals. The kit includes the MAX4888B switch, a USB-to-I2C interface board, and a USB cable. It also includes a software package with a graphical user interface (GUI) for easy configuration and control of the switch. The kit is ideal for evaluating the performance of the MAX4888B switch in a variety of applications.
Specifications
Maxim Integrated technical specifications, attributes, parameters and parts with similar specifications to Maxim Integrated .
- TypeParameter
- Part StatusActive
- Moisture Sensitivity Level (MSL)1 (Unlimited)
- RoHS StatusNon-RoHS Compliant
0 Similar Products Remaining
Associated Products
| Part Number | Manufacturer | Description | Stock | RFQ |
|---|---|---|---|---|
| Analog Devices | IC COMPARATOR 1 GEN PUR 4WLP | 0 | RFQ |


Product
Brand
Articles
Tools


