Maxim Integrated MAX9921EVKIT+KIT EVAL FOR MAX9921
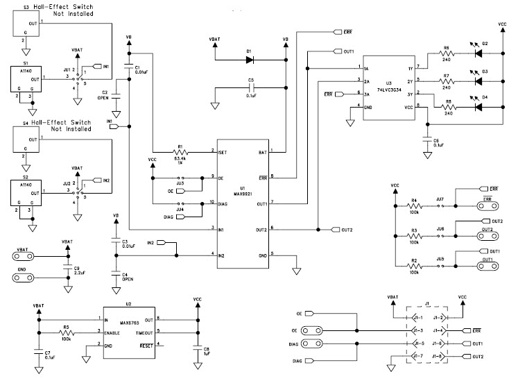
The MAX9921EVKIT+ Evaluation Kit from Maxim Integrated is designed to evaluate the MAX9921 6 to 18V Sensor-Transducer Signal Conditioning for Window Lifter, Automotive and Transportation Applications. This kit includes a MAX9921EVKIT+ board, a MAX9921EVKIT+ software, and a MAX9921EVKIT+ user guide. The MAX9921EVKIT+ board features a MAX9921 6 to 18V Sensor-Transducer Signal Conditioning IC, a MAX9921EVKIT+ software, and a MAX9921EVKIT+ user guide. The MAX9921EVKIT+ software provides a graphical user interface for configuring the MAX9921 IC and for monitoring the performance of the MAX9921 IC. The MAX9921EVKIT+ user guide provides detailed instructions on how to use the MAX9921EVKIT+ board and software. The MAX9921EVKIT+ board is ideal for evaluating the MAX9921 IC for Window Lifter, Automotive and Transportation Applications.
- TypeParameter
- Factory Lead Time8 Weeks
- Published2008
- Part StatusActive
- Moisture Sensitivity Level (MSL)1 (Unlimited)
- TypeInterface
- FunctionSensor, Hall Effect
- Utilized IC / PartMAX9921
- Supplied ContentsBoard(s)
- Evaluation KitYes
- Radiation HardeningNo
- RoHS StatusROHS3 Compliant
| Part Number | Manufacturer | Description | Stock | RFQ |
|---|---|---|---|---|
| Maxim Integrated | LDO Voltage Regulators 120mA Linear Regulator | 43 | BUY |


Product
Brand
Articles
Tools


