Maxim Integrated MAXREFDES24#MAXREFDES24 Alameda 4-Ch Analog Output Reference Design Kit
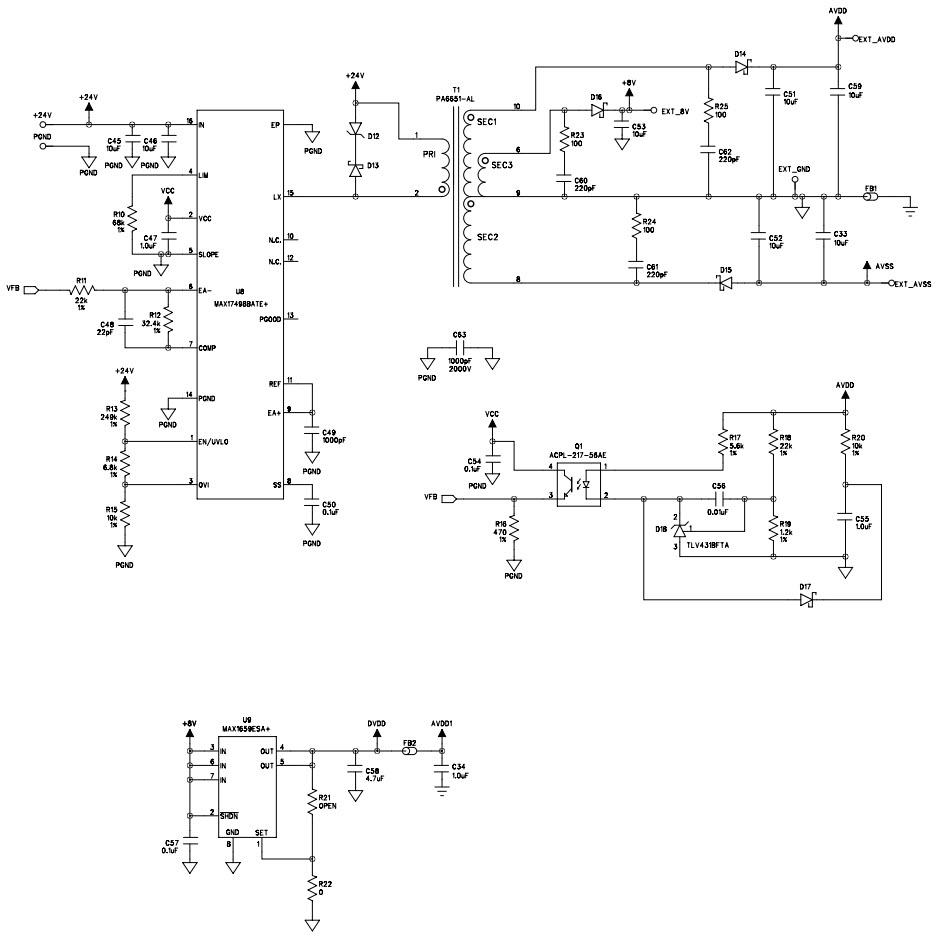
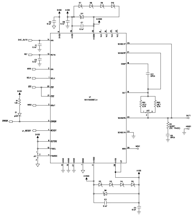
The MAXREFDES24-MAXREFDES24# from Maxim Integrated is a 4-Channel Analog Output Reference Design for Industrial Analog Current/Voltage Output Conditioners, Industrial Automation, and Process Control. This reference design provides a complete solution for industrial applications requiring high accuracy, low power, and high reliability. It features four independent analog output channels, each with a resolution of 16-bits and a maximum output current of 4mA. The design also includes a precision voltage reference, a temperature sensor, and a low-power microcontroller for monitoring and control. The design is optimized for industrial applications, providing high accuracy, low power consumption, and high reliability. It is also designed to be easily integrated into existing systems, making it an ideal solution for industrial automation and process control.
- TypeParameter
- Factory Lead Time6 Weeks
- Published2012
- Part StatusActive
- Moisture Sensitivity Level (MSL)1 (Unlimited)
- TypeInterface
- FunctionSensor Signal Conditioner
- Output Voltage10V
- Output Current20mA
- Utilized IC / PartMAX5134
- Supplied ContentsBoard(s)
- Evaluation KitYes
- Primary AttributesPmod™-Compatible
- REACH SVHCUnknown
- RoHS StatusROHS3 Compliant
| Part Number | Manufacturer | Description | Stock | RFQ |
|---|---|---|---|---|
| Diodes Incorporated | IC VREF SHUNT ADJ SOT23 | 1466 | RFQ |


Product
Brand
Articles
Tools




















