MaxLinear, Inc. XRD9816EVALEVAL BOARD FOR XRD9816
The MaxLinear XRD9816EVAL-EVAL is an evaluation system based on the XRD9816 High Performance Analog Signal Processor with a 16-Bit ADC. It is designed to provide a comprehensive platform for evaluating the performance of the XRD9816 processor. The system includes a full-featured evaluation board, a software development kit, and a comprehensive set of documentation. The evaluation board features a wide range of analog and digital I/O, including a 16-bit ADC, a 16-bit DAC, and a variety of digital I/O. The software development kit includes a comprehensive set of drivers, libraries, and example code to help developers quickly get up and running with the XRD9816 processor. The comprehensive documentation includes a detailed user manual, a reference manual, and a datasheet. The MaxLinear XRD9816EVAL-EVAL is an ideal platform for evaluating the performance of the XRD9816 processor.
- TypeParameter
- Part StatusObsolete
- Moisture Sensitivity Level (MSL)1 (Unlimited)
- TypeInterface
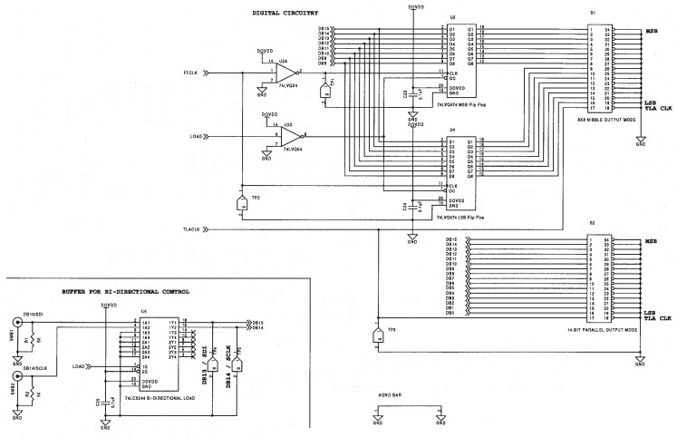
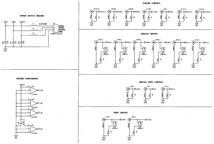
- FunctionAnalog Front End (AFE)
- Utilized IC / PartXRD9816
- Supplied ContentsBoard(s)
| Part Number | Manufacturer | Description | Stock | RFQ |
|---|---|---|---|---|
| Toshiba Semiconductor and Storage | IC BUFF/DVR DUAL LV 20TSSOP | 0 | BUY | |
| Toshiba | 74LCX LOW V CMOSLOGIC TSSOP20B | 5000 | RFQ | |
| ON Semiconductor | ON SEMICONDUCTOR - 74LCX244WM - NON INVERTING BUFFER, SOIC-20 | 20000 | BUY |


Product
Brand
Articles
Tools









