Microchip Technology DM163008Development Boards & Kits - PIC / DSPIC MCP2120/2150
Description
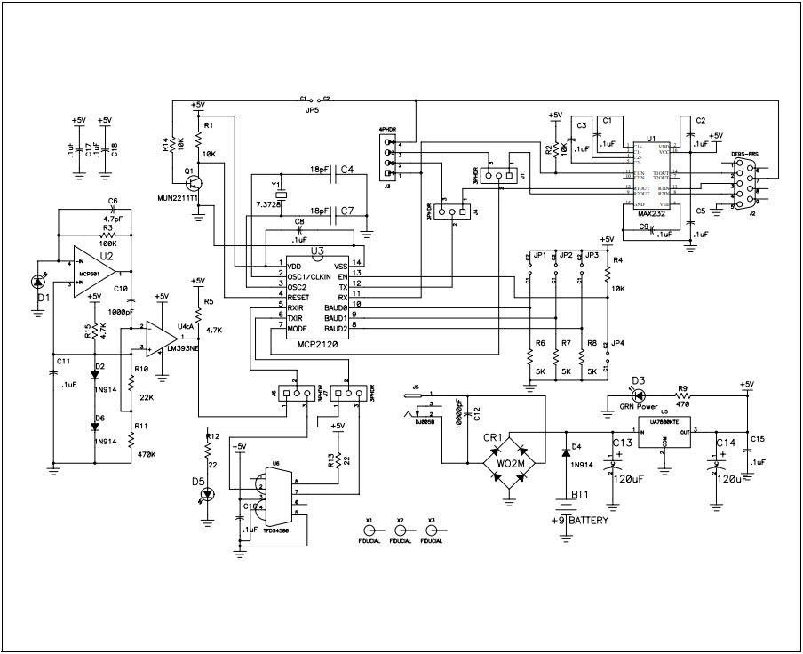
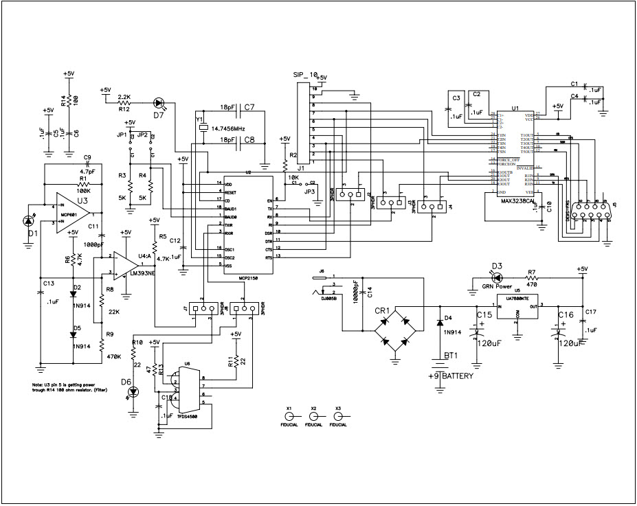
The Microchip Technology DM163008-DM163008, DM163008, MCP2120/MCP2150 Infrared Developer Kit is a comprehensive toolkit designed to help developers create and test infrared (IR) applications. The kit includes a variety of components, such as an IR transmitter, receiver, and transceiver, as well as a range of instrumentation and measurement tools. The kit also includes a range of software and hardware tools, such as a USB-based IR transceiver, a PC-based IR transceiver, and a range of IR protocol analyzers. The kit is designed to help developers quickly and easily develop and test IR applications, and is suitable for a range of applications, such as remote control, home automation, and industrial automation.
Specifications
Microchip Technology technical specifications, attributes, parameters and parts with similar specifications to Microchip Technology .
- TypeParameter
- Published2003
- Part StatusObsolete
- Moisture Sensitivity Level (MSL)1 (Unlimited)
- TypeInterface
- FunctionInfrared Transceiver
- Utilized IC / PartMCP2120, MCP2150
- Supplied ContentsBoard(s)
- Evaluation KitYes
- RoHS StatusNon-RoHS Compliant
0 Similar Products Remaining
Technical Documents
Associated Products
| Part Number | Manufacturer | Description | Stock | RFQ |
|---|---|---|---|---|
| Microchip Technology | MICROCHIP - MCP2150-I/SO - IRDA CONTROLLER,SMD 2150, SOIC18 | 10 | BUY | |
| Microchip Technology | IC OPAMP GP 2.8MHZ RRO 8DIP | 76 | RFQ | |
| Microchip Technology | IC IRDA STD CONTROLLER 20SSOP | 9000 | RFQ | |
| Microchip Technology | IC IRDA STD CONTROLLER 18SOIC | 8000 | RFQ | |
| Microchip Technology | IC OPAMP GP 2.8MHZ RRO 8DIP | 26500 | RFQ | |
| Microchip Technology | IC OPAMP GP 2.8MHZ RRO 8TSSOP | 839 | RFQ |


Product
Brand
Articles
Tools











