Microchip Technology DM164128MICROCHIP DM164128PICDEM, TOUCH SENSE 2, DEMO BOARD
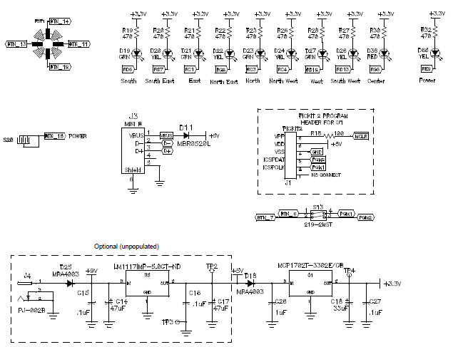
The Microchip Technology DM164128-DM164128 PIC24 MCU Development System is a comprehensive development platform for creating touch-screen monitor, computer, and peripheral applications. It includes a PIC24 MCU, a development board, and a suite of software tools. The PIC24 MCU is a 32-bit microcontroller with a wide range of peripherals and features, including a 10-bit ADC, a 10-bit DAC, and a wide range of communication protocols. The development board includes a USB port, an LCD display, and a variety of other peripherals. The software tools include a C compiler, an assembler, a debugger, and a simulator. The system also includes a library of sample code and tutorials to help developers get started quickly. With the DM164128-DM164128 PIC24 MCU Development System, developers can create powerful and reliable applications for touch-screen monitors, computers, and peripherals.
- TypeParameter
- PackagingBox
- SeriesmTouch™
- Published2008
- Part StatusObsolete
- Moisture Sensitivity Level (MSL)1 (Unlimited)
- Operating Supply Voltage5V
- InterfaceMicroprocessor
- Number of Bits8
- Data Bus Width8b
- Utilized IC / PartPIC24F
- Supplied ContentsBoard(s), Cable(s)
- Evaluation KitYes
- Sensor TypeTouch, Capacitive
- Core ArchitecturePIC
- EmbeddedYes, MCU, 16-Bit
- REACH SVHCNo SVHC
- Radiation HardeningNo
- RoHS StatusROHS3 Compliant
- Lead FreeLead Free


Product
Brand
Articles
Tools











