Microchip Technology DM182017-5MRF34TA WIRELESS REMOTE CONTROL
Description
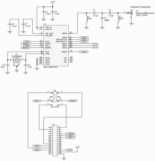
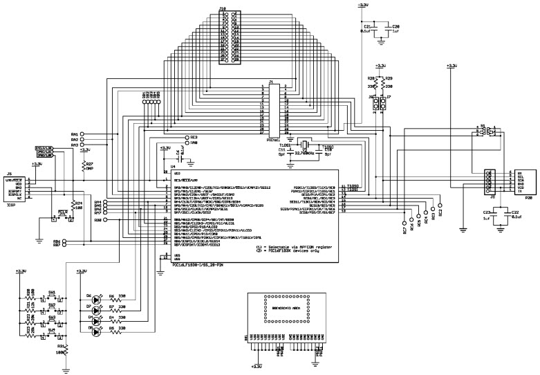
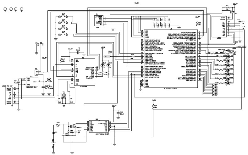
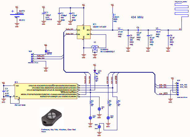
The Microchip Technology DM182017-5 is a 433.92 MHz Wireless Security Remote Control Development Kit that uses the MICRF114 RF Transceiver. This kit is designed to help developers create secure wireless remote control applications. It includes a transmitter board, receiver board, and a MICRF114 RF transceiver. The transmitter board features a 4-button keypad, a 3-LED indicator, and a MICRF114 RF transceiver. The receiver board features a MICRF114 RF transceiver, a 4-channel relay, and a 3-LED indicator. The kit also includes a USB cable, a power supply, and a user guide. With this kit, developers can quickly and easily create secure wireless remote control applications.
Specifications
Microchip Technology technical specifications, attributes, parameters and parts with similar specifications to Microchip Technology .
- TypeParameter
- Factory Lead Time14 Weeks
- SeriesPICtail™
- Part StatusActive
- Moisture Sensitivity Level (MSL)1 (Unlimited)
- TypeKey Fob
- Frequency433MHz
- Supplied ContentsBoard(s), Cable(s), Accessories
- Evaluation KitYes
- REACH SVHCNo SVHC
- RoHS StatusNon-RoHS Compliant
0 Similar Products Remaining
Technical Documents
Associated Products
| Part Number | Manufacturer | Description | Stock | RFQ |
|---|---|---|---|---|
| NDK America, Inc. | In a Pack of 5, NDK 12MHz Crystal Unit ±15ppm SMD 4-Pin 3.2 x 2.5 x 0.55mm | 50 | BUY | |
| Microchip Technology | IC REG LINEAR 3.3V 250MA SOT89-3 | 200 | RFQ | |
| Microchip Technology | IC MCU 8BIT 28KB FLASH 64TQFP | 7000 | RFQ | |
| Abracon LLC | CRYSTAL 32.7680KHZ 12.5PF SMD | 46500 | RFQ | |
| Microchip Technology | MICROCHIP - MCP2200-I/MQ - SerDes, AEC-Q100, Transceiver, 12 Mbps, Digital, Seriell, VQFN, 20 Pin(s) | 14 | RFQ | |
| Microchip Technology | IC MCU 8BIT 28KB FLASH 28SSOP | 1034 | RFQ | |
| Microchip Technology | IC RTC CLK/CALENDAR SPI 14-TSSOP | 33000 | RFQ | |
| Microchip Technology | IC MCU 8BIT 7KB FLASH 8DFN | 55 | RFQ | |
| TXC Corporation | CRYSTAL 32.0000MHZ 10PF SMD | 4 | BUY |


Product
Brand
Articles
Tools






























