Share
Microchip Technology GPIODM-KPLCDMICROCHIP GPIODM-KPLCD MCP23017, GPIO EXPANDER, DEMO BOARD
Description
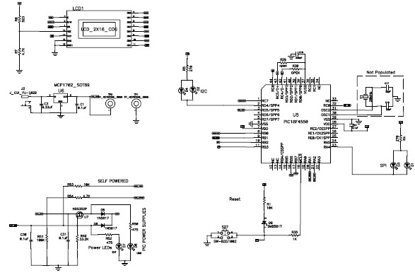
The Microchip Technology GPIODM-KPLCD I/O Controller for LCD Display is a consumer electronics device designed to provide a simple and cost-effective solution for controlling LCD displays. It features a 32-bit ARM Cortex-M0 processor, a 4-bit GPIO port, and a 4-bit LCD port. The device is capable of driving up to 8 LCD segments, and can be used to control a variety of LCD displays, including character, graphic, and segmented displays. It also features a keypad interface, allowing for easy user input. The GPIODM-KPLCD is a versatile and reliable solution for controlling LCD displays in consumer electronics applications.
Specifications
Microchip Technology technical specifications, attributes, parameters and parts with similar specifications to Microchip Technology .
- TypeParameter
- Factory Lead Time14 Weeks
- Published2006
- Part StatusActive
- Moisture Sensitivity Level (MSL)1 (Unlimited)
- TypeInterface
- FunctionFront Panel Controller, LCD
- Operating Supply Voltage5V
- InterfaceI2C, SPI
- Data Bus Width8b
- Utilized IC / PartMCP23xxx
- Supplied ContentsBoard(s)
- Evaluation KitYes
- Core ArchitecturePIC
- EmbeddedYes, MCU, 8-Bit
- FeaturesI2C
- REACH SVHCNo SVHC
- Radiation HardeningNo
- RoHS StatusROHS3 Compliant
- Lead FreeLead Free
0 Similar Products Remaining
Technical Documents
Associated Products
| Part Number | Manufacturer | Description | Stock | RFQ |
|---|---|---|---|---|
| Microchip Technology | IC PIC MCU FLASH 16KX16 44TQFP | 0 | RFQ | |
| Microchip Technology | MCU 8-bit PIC RISC 32KB Flash 5V 44-Pin TQFP Tray | 0 | RFQ | |
| Microchip Technology | IC MCU 8BIT 32KB FLASH 44QFN | 0 | RFQ | |
| Omron Electronics Inc-EMC Div | SWITCH TACTILE SPST-NO 0.05A 24V | 622 | RFQ |


Product
Brand
Articles
Tools















