Microchip Technology MCP3421DM-BFGData Conversion IC Development Tools MCP3421Battery Fuel Gauge Demo Brd
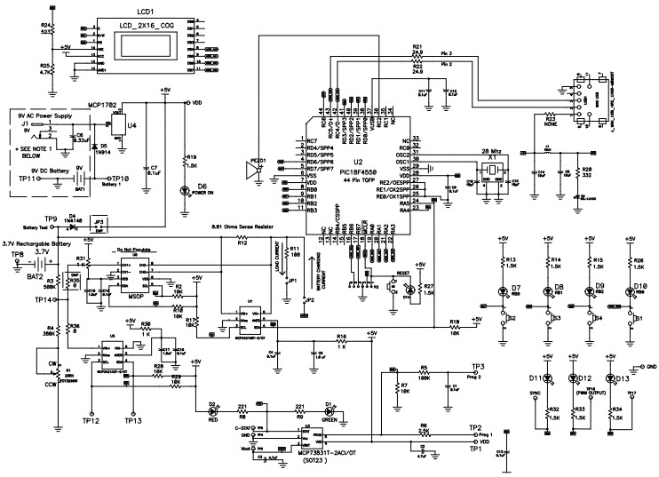
The Microchip Technology MCP3421DM-BFG Demo Board Using MCP3421 Battery Fuel Gauge, Instrumentation and Measurement is a versatile and powerful tool for measuring and monitoring battery performance. It features a MCP3421 Battery Fuel Gauge, which is a low-power, high-accuracy, analog-to-digital converter that measures the voltage, current, and temperature of a battery. The demo board also includes a variety of instrumentation and measurement components, such as a voltage regulator, current sense amplifier, and temperature sensor. This demo board is ideal for use in battery-powered applications, such as portable medical devices, consumer electronics, and automotive systems. It is also suitable for use in industrial and commercial applications, such as power supplies, UPS systems, and solar energy systems.
- TypeParameter
- Factory Lead Time14 Weeks
- Published2007
- Part StatusActive
- Moisture Sensitivity Level (MSL)1 (Unlimited)
- TypePower Management
- Base Part NumberMCP3421
- FunctionBattery Gauge
- Operating Supply Voltage9V
- InterfaceI2C
- Utilized IC / PartMCP3421
- Supplied ContentsBoard(s)
- Evaluation KitYes
- Radiation HardeningNo
- RoHS StatusROHS3 Compliant
- Lead FreeLead Free


Product
Brand
Articles
Tools









