MikroElektronika MIKROE-3240LDC1101 CLICK
Description
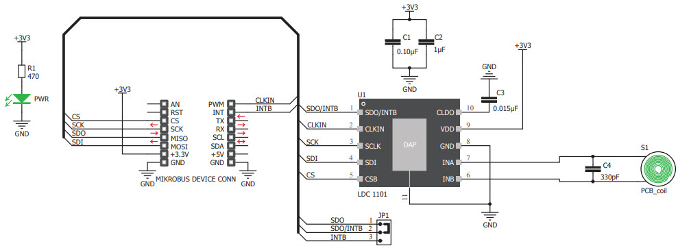
Grade, from MikroElektronika. It is designed to measure inductance in the range of 0.1mH to 10H with a resolution of 0.1mH. The board is equipped with the LDC1101 inductance-to-digital converter from Texas Instruments, which is capable of measuring inductance with a high accuracy of 0.5%. The board also features a wide operating voltage range of 2.7V to 5.5V, making it suitable for a variety of applications. The board is also equipped with a 3.3V regulator, allowing it to be used with a wide range of power sources. The board is also equipped with a number of protection features, such as over-voltage, over-current, and reverse-polarity protection. The board is also RoHS compliant, making it suitable for use in industrial applications.
Specifications
MikroElektronika technical specifications, attributes, parameters and parts with similar specifications to MikroElektronika .
- TypeParameter
- Factory Lead Time4 Weeks
- Part StatusActive
- Moisture Sensitivity Level (MSL)1 (Unlimited)
- TypeInterface
- FunctionInductance-to-Digital Converter
- Utilized IC / PartLDC1101
- ContentsBoard(s)
- PlatformmikroBUS™ Click™
- RoHS StatusROHS3 Compliant
0 Similar Products Remaining
Technical Documents
Associated Products
| Part Number | Manufacturer | Description | Stock | RFQ |
|---|---|---|---|---|
| Maxim Integrated | Volt Supervisor Sequencer -0.3V to 6V 24-Pin TQFN EP | 83 | BUY |


Product
Brand
Articles
Tools












